Bosch Stichsäge 485H1 Ersatzteile
485H1 Stichsäge
Artikel Nummer: F 015 048 5H1 (F0150485H1)

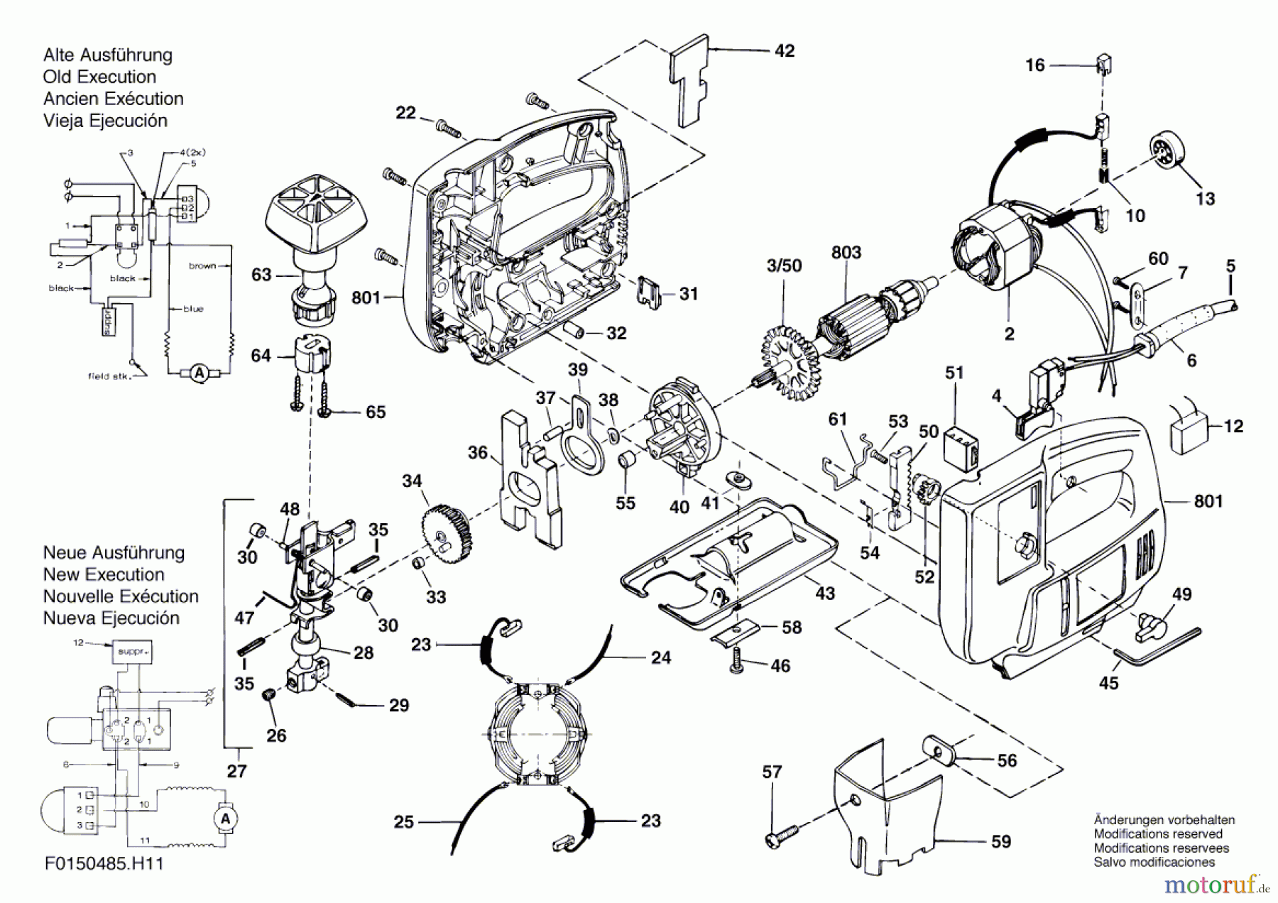
Hier finden Sie die Ersatzteilzeichnung für Bosch Werkzeug Stichsäge 485H1 Seite 1. Wählen Sie das benötigte Ersatzteil aus der Ersatzteilliste Ihres Bosch Gerätes aus und bestellen Sie einfach online. Viele Bosch Ersatzteile halten wir ständig in unserem Lager für Sie bereit.


Qualitätsmanagement
Informieren Sie uns, wenn Sie einen Fehler gefunden haben.


