Bosch Drehwerkzeug 395 Ersatzteile
395 Drehwerkzeug
Artikel Nummer: F 013 039 5FM (F0130395FM)

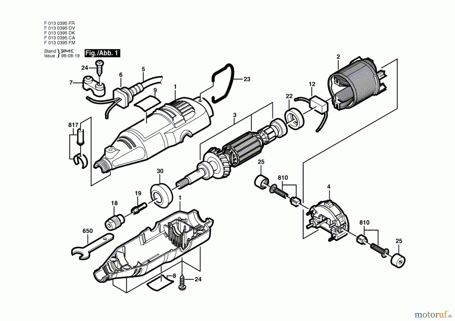
Hier finden Sie die Ersatzteilzeichnung für Bosch Werkzeug Drehwerkzeug 395 Seite 1. Wählen Sie das benötigte Ersatzteil aus der Ersatzteilliste Ihres Bosch Gerätes aus und bestellen Sie einfach online. Viele Bosch Ersatzteile halten wir ständig in unserem Lager für Sie bereit.


Qualitätsmanagement
Informieren Sie uns, wenn Sie einen Fehler gefunden haben.

