Bosch Oberfräse 1870 TYPE 1 Ersatzteile
1870 TYPE 1 Oberfräse
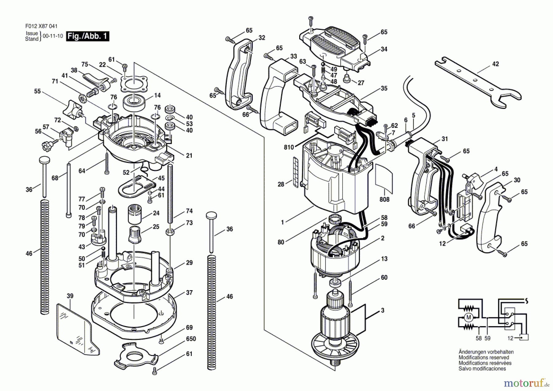
Artikel Nummer: F 012 X87 041 (F012X87041)

Hier finden Sie die Ersatzteilzeichnung für Bosch Werkzeug Oberfräse 1870 TYPE 1 Seite 1. Wählen Sie das benötigte Ersatzteil aus der Ersatzteilliste Ihres Bosch Gerätes aus und bestellen Sie einfach online. Viele Bosch Ersatzteile halten wir ständig in unserem Lager für Sie bereit.


Qualitätsmanagement
Informieren Sie uns, wenn Sie einen Fehler gefunden haben.

