Bosch Rotationsschneider RZ5 Ersatzteile
RZ5 Rotationsschneider
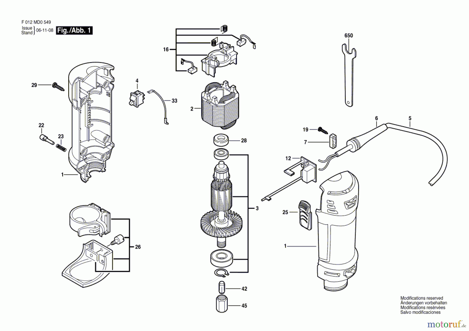
Artikel Nummer: F 012 MD0 549 (F012MD0549)

Hier finden Sie die Ersatzteilzeichnung für Bosch Werkzeug Rotationsschneider RZ5 Seite 1. Wählen Sie das benötigte Ersatzteil aus der Ersatzteilliste Ihres Bosch Gerätes aus und bestellen Sie einfach online. Viele Bosch Ersatzteile halten wir ständig in unserem Lager für Sie bereit.


Qualitätsmanagement
Informieren Sie uns, wenn Sie einen Fehler gefunden haben.

