Bosch Bohrmaschine 6425-38 Ersatzteile
6425-38 Bohrmaschine
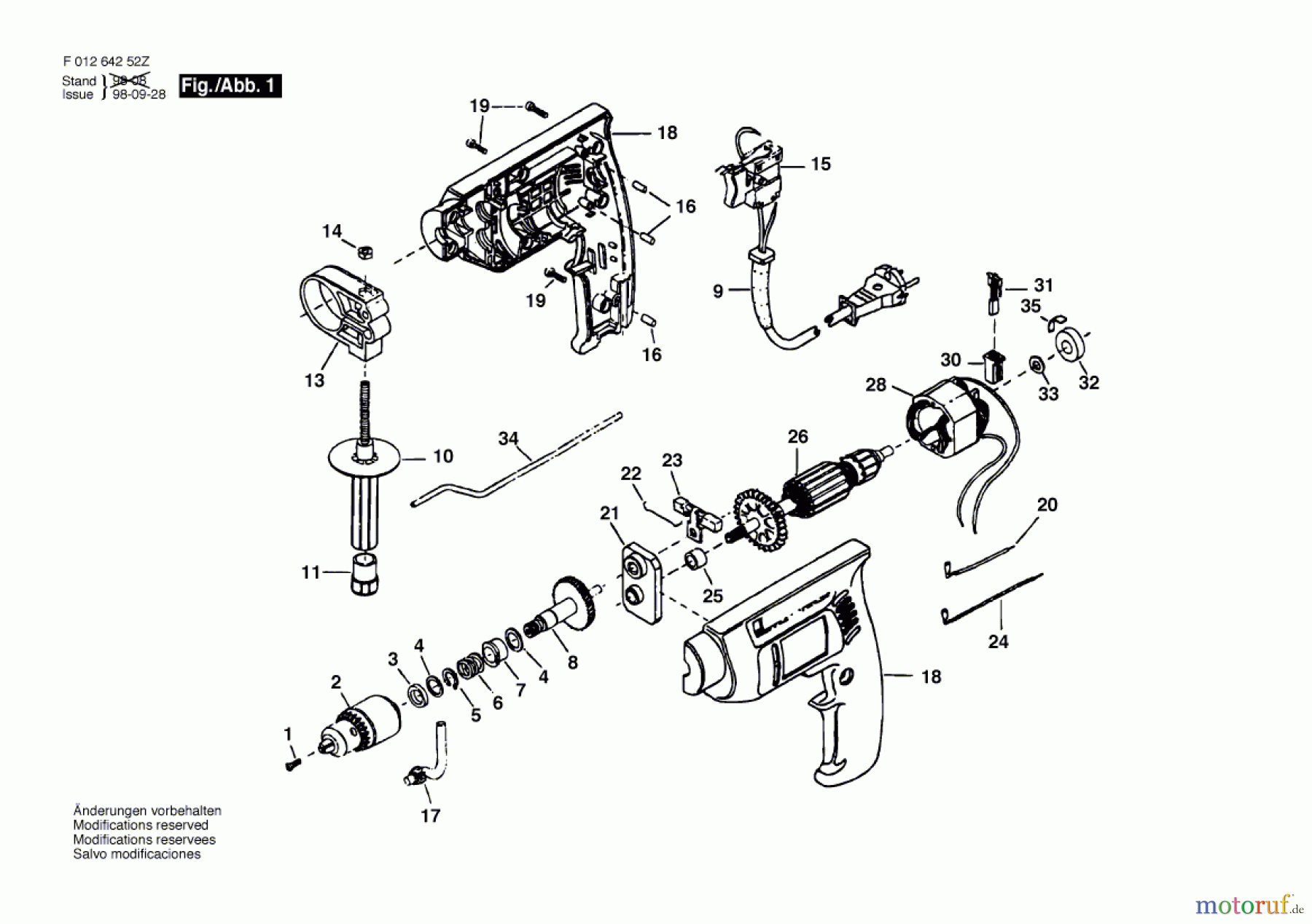
Artikel Nummer: F 012 642 52Z (F01264252Z)

Hier finden Sie die Ersatzteilzeichnung für Bosch Werkzeug Bohrmaschine 6425-38 Seite 1. Wählen Sie das benötigte Ersatzteil aus der Ersatzteilliste Ihres Bosch Gerätes aus und bestellen Sie einfach online. Viele Bosch Ersatzteile halten wir ständig in unserem Lager für Sie bereit.


Qualitätsmanagement
Informieren Sie uns, wenn Sie einen Fehler gefunden haben.


