Bosch Bohrmaschine 6125-80 Ersatzteile
6125-80 Bohrmaschine
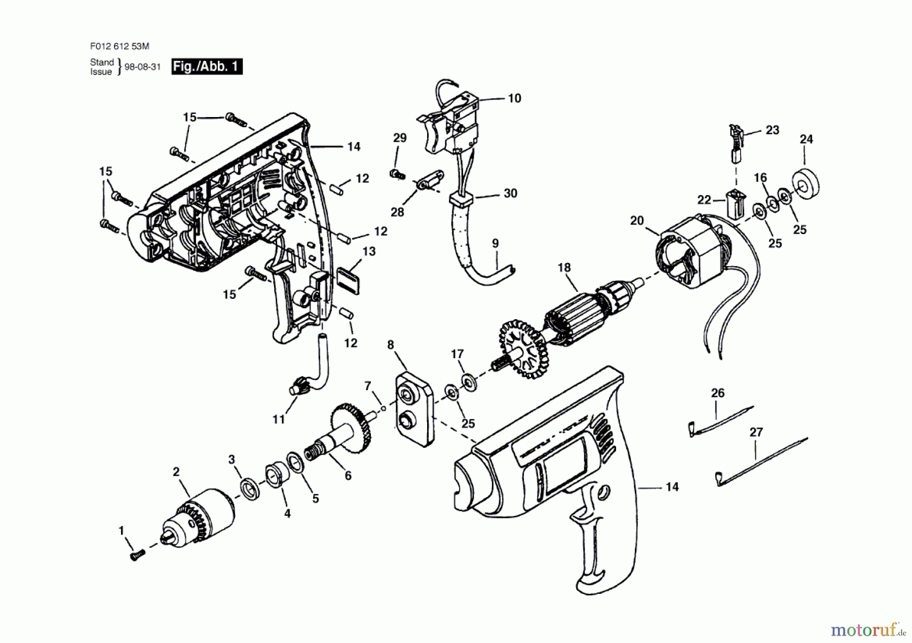
Artikel Nummer: F 012 612 53M (F01261253M)

Hier finden Sie die Ersatzteilzeichnung für Bosch Werkzeug Bohrmaschine 6125-80 Seite 1. Wählen Sie das benötigte Ersatzteil aus der Ersatzteilliste Ihres Bosch Gerätes aus und bestellen Sie einfach online. Viele Bosch Ersatzteile halten wir ständig in unserem Lager für Sie bereit.



