Bosch Gw-Handkreissäge 5250-80 Ersatzteile
5250-80 Gw-Handkreissäge
Artikel Nummer: F 012 525 002 (F012525002)

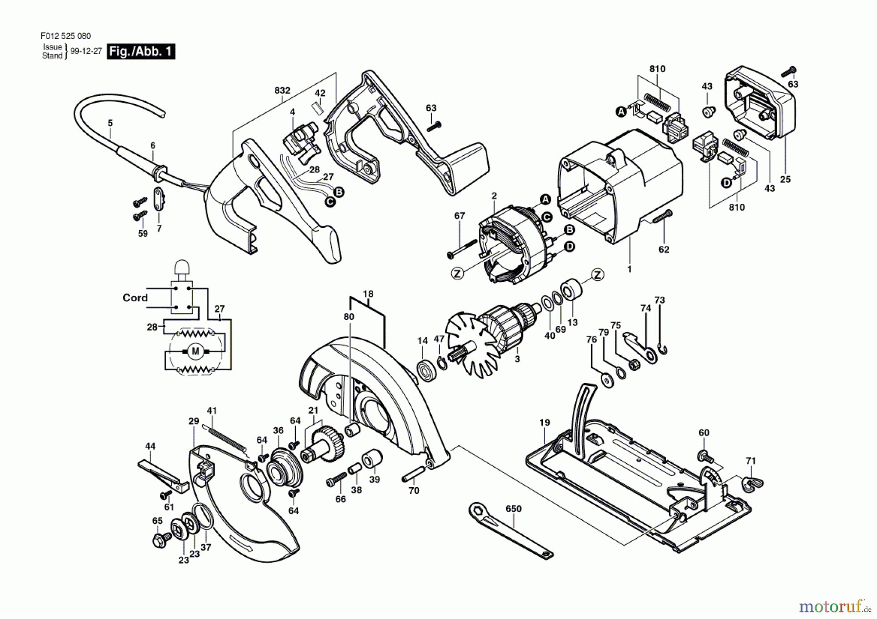
Hier finden Sie die Ersatzteilzeichnung für Bosch Werkzeug Gw-Handkreissäge 5250-80 Seite 1. Wählen Sie das benötigte Ersatzteil aus der Ersatzteilliste Ihres Bosch Gerätes aus und bestellen Sie einfach online. Viele Bosch Ersatzteile halten wir ständig in unserem Lager für Sie bereit.


Qualitätsmanagement
Informieren Sie uns, wenn Sie einen Fehler gefunden haben.

