Bosch Handhobel 1555 Ersatzteile
1555 Handhobel
Artikel Nummer: F 012 155 500 (F012155500)

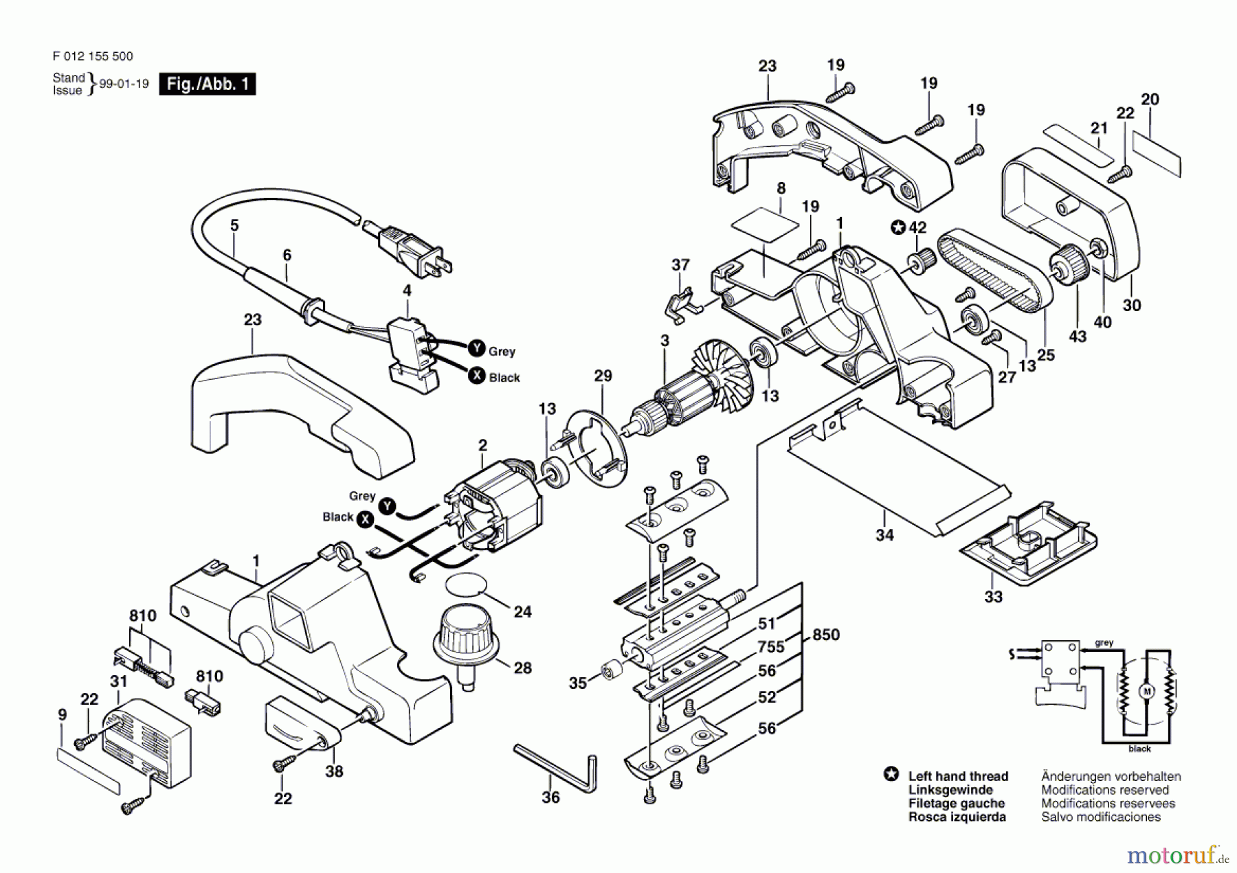
Hier finden Sie die Ersatzteilzeichnung für Bosch Werkzeug Handhobel 1555 Seite 1. Wählen Sie das benötigte Ersatzteil aus der Ersatzteilliste Ihres Bosch Gerätes aus und bestellen Sie einfach online. Viele Bosch Ersatzteile halten wir ständig in unserem Lager für Sie bereit.


Qualitätsmanagement
Informieren Sie uns, wenn Sie einen Fehler gefunden haben.

