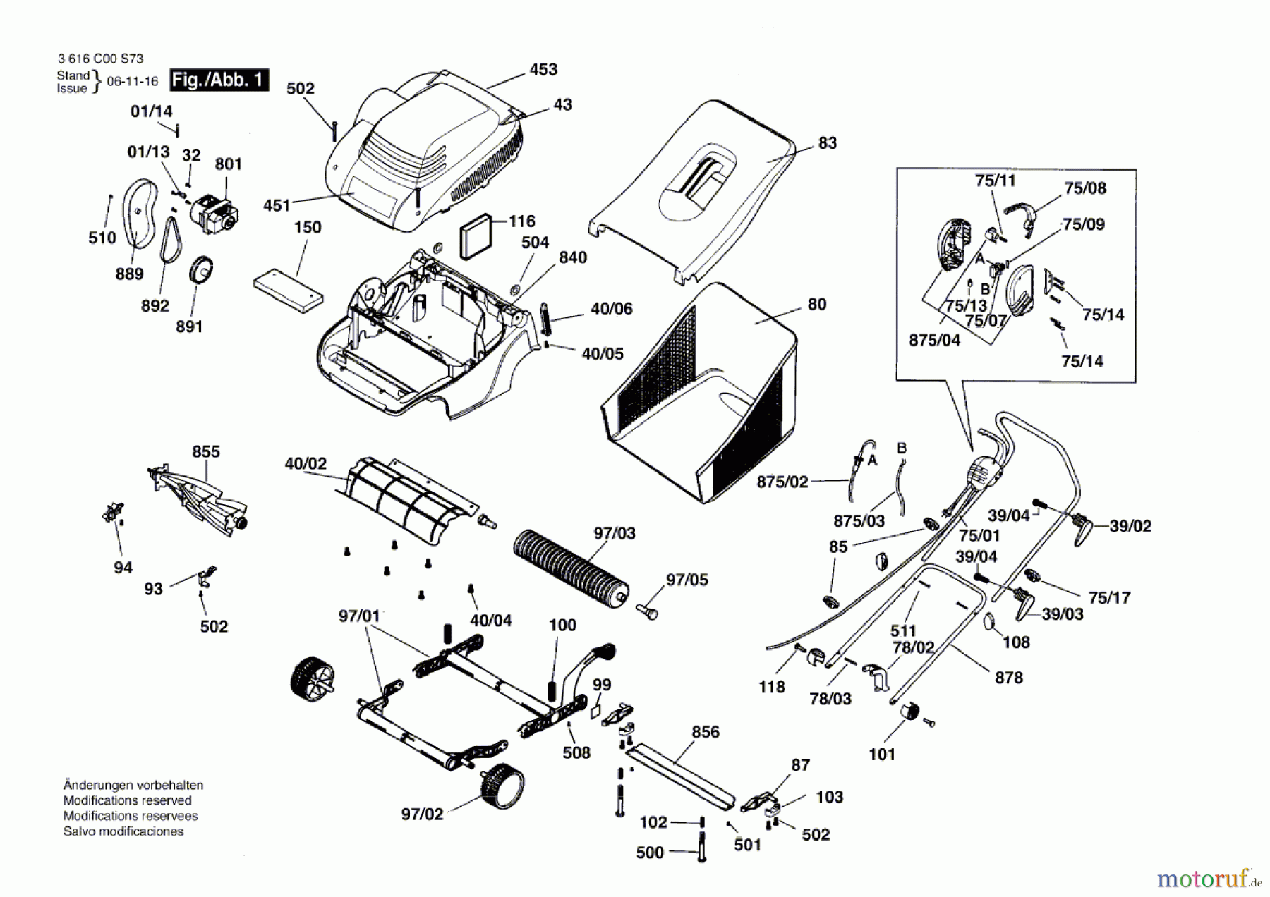
Bosch Rasenmäher ECLIPSE 32 Ersatzteile
ECLIPSE 32 Rasenmäher
Artikel Nummer: 3 616 C00 S74 (3616C00S74)

Hier finden Sie die Ersatzteilzeichnung für Bosch Gartengeräte Rasenmäher ECLIPSE 32 Seite 1. Wählen Sie das benötigte Ersatzteil aus der Ersatzteilliste Ihres Bosch Gerätes aus und bestellen Sie einfach online. Viele Bosch Ersatzteile halten wir ständig in unserem Lager für Sie bereit.



