Bosch Rasenmäher ELAN 32 Ersatzteile
ELAN 32 Rasenmäher
Artikel Nummer: 3 616 C00 A72 (3616C00A72)

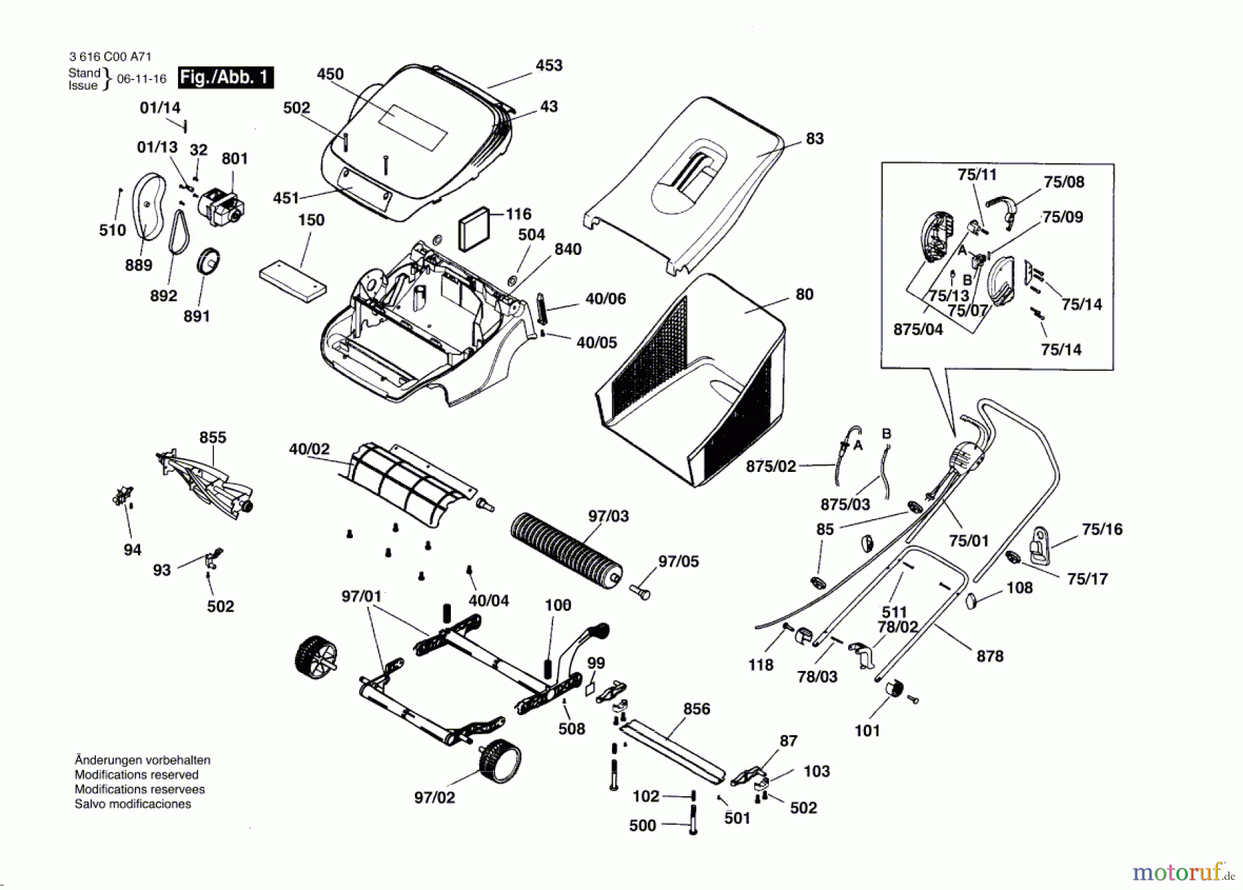
Hier finden Sie die Ersatzteilzeichnung für Bosch Gartengeräte Rasenmäher ELAN 32 Seite 1. Wählen Sie das benötigte Ersatzteil aus der Ersatzteilliste Ihres Bosch Gerätes aus und bestellen Sie einfach online. Viele Bosch Ersatzteile halten wir ständig in unserem Lager für Sie bereit.


Qualitätsmanagement
Informieren Sie uns, wenn Sie einen Fehler gefunden haben.

