Bosch Kapp-/Gehrungssäge PCM 8 Ersatzteile
PCM 8 Kapp-/Gehrungssäge
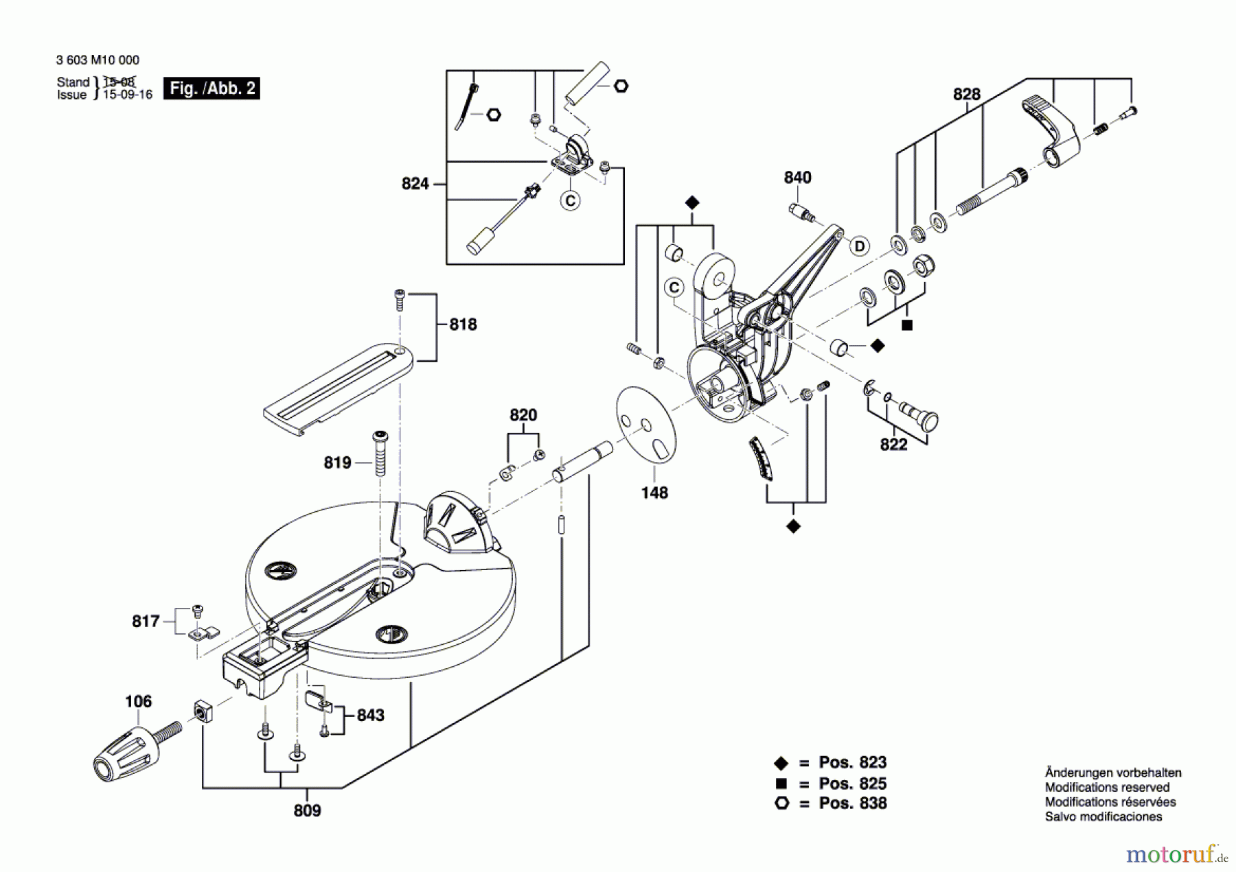
Artikel Nummer: 3 603 M10 000 (3603M10000)

Hier finden Sie die Ersatzteilzeichnung für Bosch Werkzeug Kapp-/Gehrungssäge PCM 8 Seite 2. Wählen Sie das benötigte Ersatzteil aus der Ersatzteilliste Ihres Bosch Gerätes aus und bestellen Sie einfach online. Viele Bosch Ersatzteile halten wir ständig in unserem Lager für Sie bereit.
| BildNr | Artikel Nummer | Bezeichnung | |
| 106 | 1 609 B01 839 | Knopf | |
| 148 | 1 609 B02 246 | Verschleissplatte | |
| 809 | 1 609 B02 702 | Tisch | |
| 817 | 1 609 B02 710 | Zeiger | |
| 818 | 1 609 B02 711 | Einlage | |
| 819 | 1 609 B02 712 | Befestigungssatz | |
| 820 | 1 609 B02 713 | Zeiger | |
| 822 | 1 609 B02 715 | Knopf | |
| 823 | 1 609 B02 716 | Abstützelement | |
| 824 | 1 609 B02 250 | Lasermodul | |
| 825 | 1 609 BP7 185 | Fingerwelle | |
| 828 | 1 609 B02 661 | Sperrhebel | |
| 838 | 1 609 B02 727 | Elektr Leitung | |
| 840 | 1 609 B02 729 | Gestänge | |
| 843 | 1 609 B02 731 | Blattfeder | |


Qualitätsmanagement
Informieren Sie uns, wenn Sie einen Fehler gefunden haben.

