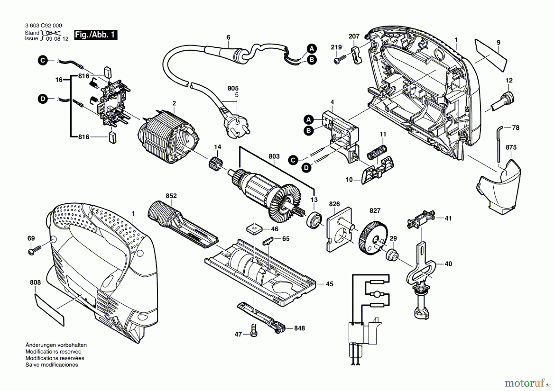
Bosch Stichsäge PST 650 Ersatzteile
PST 650 Stichsäge
Artikel Nummer: 3 603 C92 000 (3603C92000)

Hier finden Sie die Ersatzteilzeichnung für Bosch Werkzeug Stichsäge PST 650 Seite 1. Wählen Sie das benötigte Ersatzteil aus der Ersatzteilliste Ihres Bosch Gerätes aus und bestellen Sie einfach online. Viele Bosch Ersatzteile halten wir ständig in unserem Lager für Sie bereit.



