Bosch Handhobel PHO 3100 Ersatzteile
PHO 3100 Handhobel
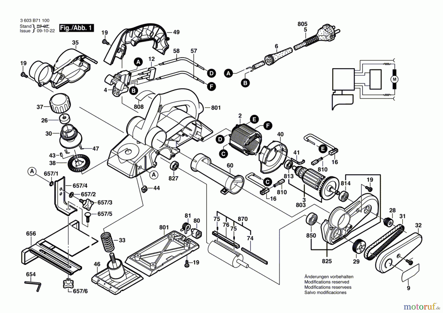
Artikel Nummer: 3 603 B71 100 (3603B71100)

Hier finden Sie die Ersatzteilzeichnung für Bosch Werkzeug Handhobel PHO 3100 Seite 1. Wählen Sie das benötigte Ersatzteil aus der Ersatzteilliste Ihres Bosch Gerätes aus und bestellen Sie einfach online. Viele Bosch Ersatzteile halten wir ständig in unserem Lager für Sie bereit.


Qualitätsmanagement
Informieren Sie uns, wenn Sie einen Fehler gefunden haben.


