Bosch Tischkreissäge GTS 10 XC Ersatzteile
GTS 10 XC Tischkreissäge
Artikel Nummer: 3 601 M30 403 (3601M30403)

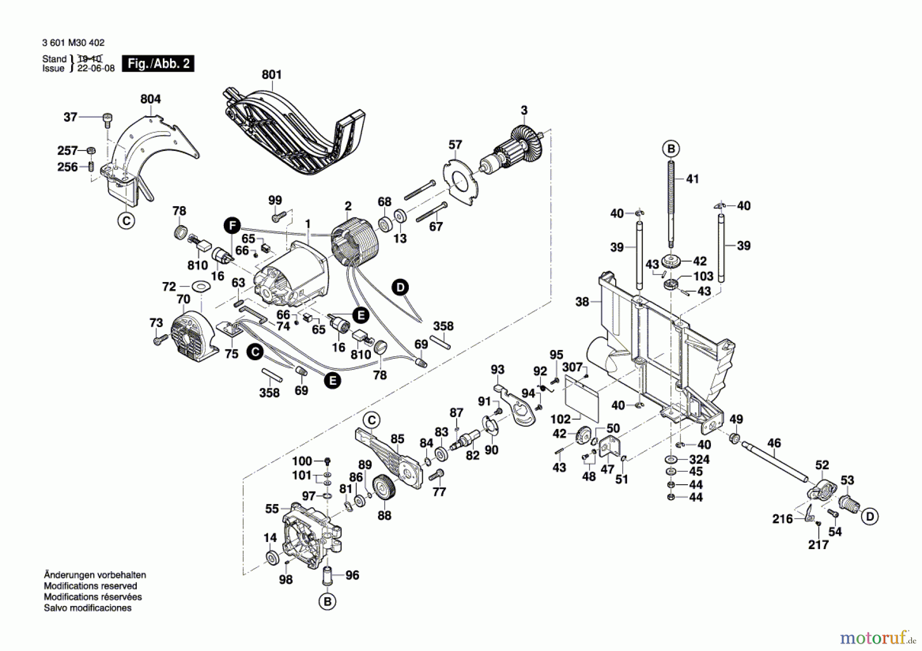
Hier finden Sie die Ersatzteilzeichnung für Bosch Werkzeug Tischkreissäge GTS 10 XC Seite 2. Wählen Sie das benötigte Ersatzteil aus der Ersatzteilliste Ihres Bosch Gerätes aus und bestellen Sie einfach online. Viele Bosch Ersatzteile halten wir ständig in unserem Lager für Sie bereit.


Qualitätsmanagement
Informieren Sie uns, wenn Sie einen Fehler gefunden haben.



