Bosch Trocken-Metallschneider GCD 12 JL Ersatzteile
GCD 12 JL Trocken-Metallschneider
Artikel Nummer: 3 601 M28 0L1 (3601M280L1)

Hier finden Sie die Ersatzteilzeichnung für Bosch Werkzeug Trocken-Metallschneider GCD 12 JL Seite 3. Wählen Sie das benötigte Ersatzteil aus der Ersatzteilliste Ihres Bosch Gerätes aus und bestellen Sie einfach online. Viele Bosch Ersatzteile halten wir ständig in unserem Lager für Sie bereit.
| BildNr | Artikel Nummer | Bezeichnung | |
| 88 | 1 609 B04 612 | Verschlusshebel | |
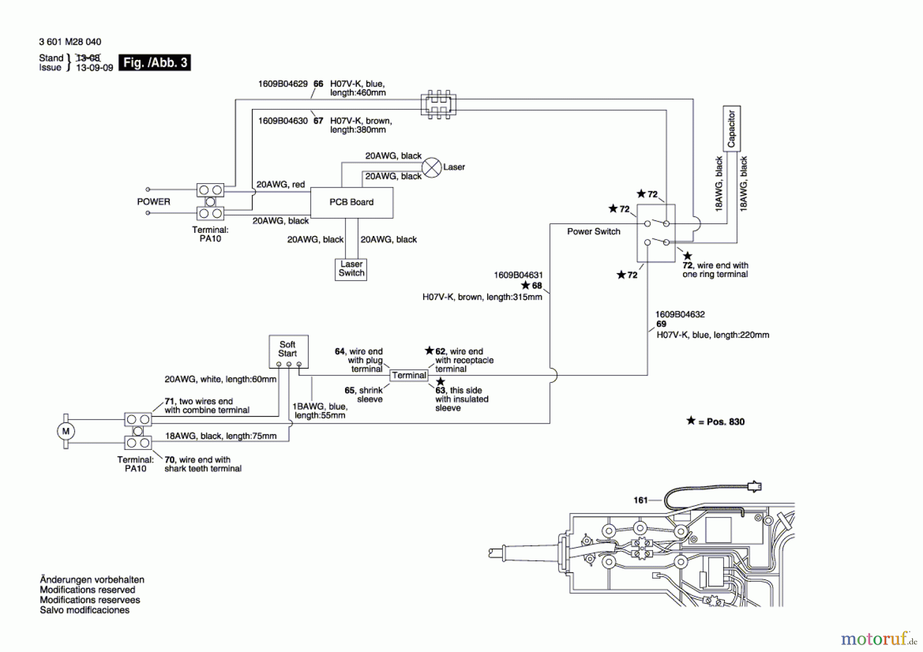
| 161 | 1 609 B01 549 | Verbindungskabel | |
| 830 | 1 609 B04 696 | Draht | |


Qualitätsmanagement
Informieren Sie uns, wenn Sie einen Fehler gefunden haben.

