Bosch Kapp-/Gehrungssäge GCM 12 MX Ersatzteile
GCM 12 MX Kapp-/Gehrungssäge
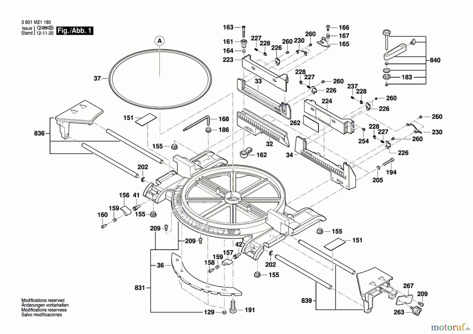
Artikel Nummer: 3 601 M21 180 (3601M21180)

Hier finden Sie die Ersatzteilzeichnung für Bosch Werkzeug Kapp-/Gehrungssäge GCM 12 MX Seite 1. Wählen Sie das benötigte Ersatzteil aus der Ersatzteilliste Ihres Bosch Gerätes aus und bestellen Sie einfach online. Viele Bosch Ersatzteile halten wir ständig in unserem Lager für Sie bereit.


Qualitätsmanagement
Informieren Sie uns, wenn Sie einen Fehler gefunden haben.

