Bosch Schlagschrauber GDS 18 V-HT Ersatzteile
GDS 18 V-HT Schlagschrauber
Artikel Nummer: 3 601 J10 300 (3601J10300)

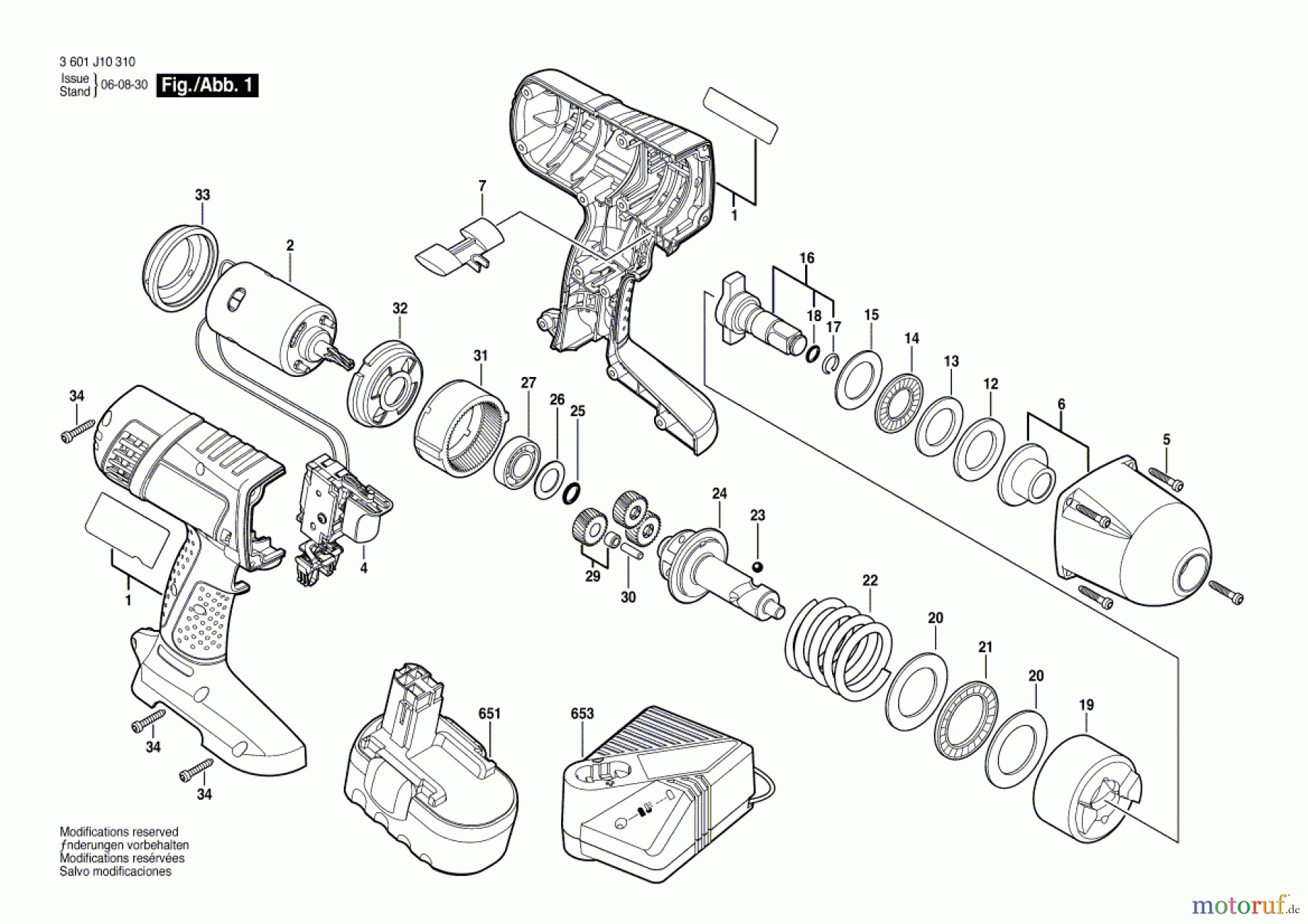
Hier finden Sie die Ersatzteilzeichnung für Bosch Werkzeug Schlagschrauber GDS 18 V-HT Seite 1. Wählen Sie das benötigte Ersatzteil aus der Ersatzteilliste Ihres Bosch Gerätes aus und bestellen Sie einfach online. Viele Bosch Ersatzteile halten wir ständig in unserem Lager für Sie bereit.


Qualitätsmanagement
Informieren Sie uns, wenn Sie einen Fehler gefunden haben.

