Bosch Winkelschleifer GWS 24-230 JH Ersatzteile
GWS 24-230 JH Winkelschleifer
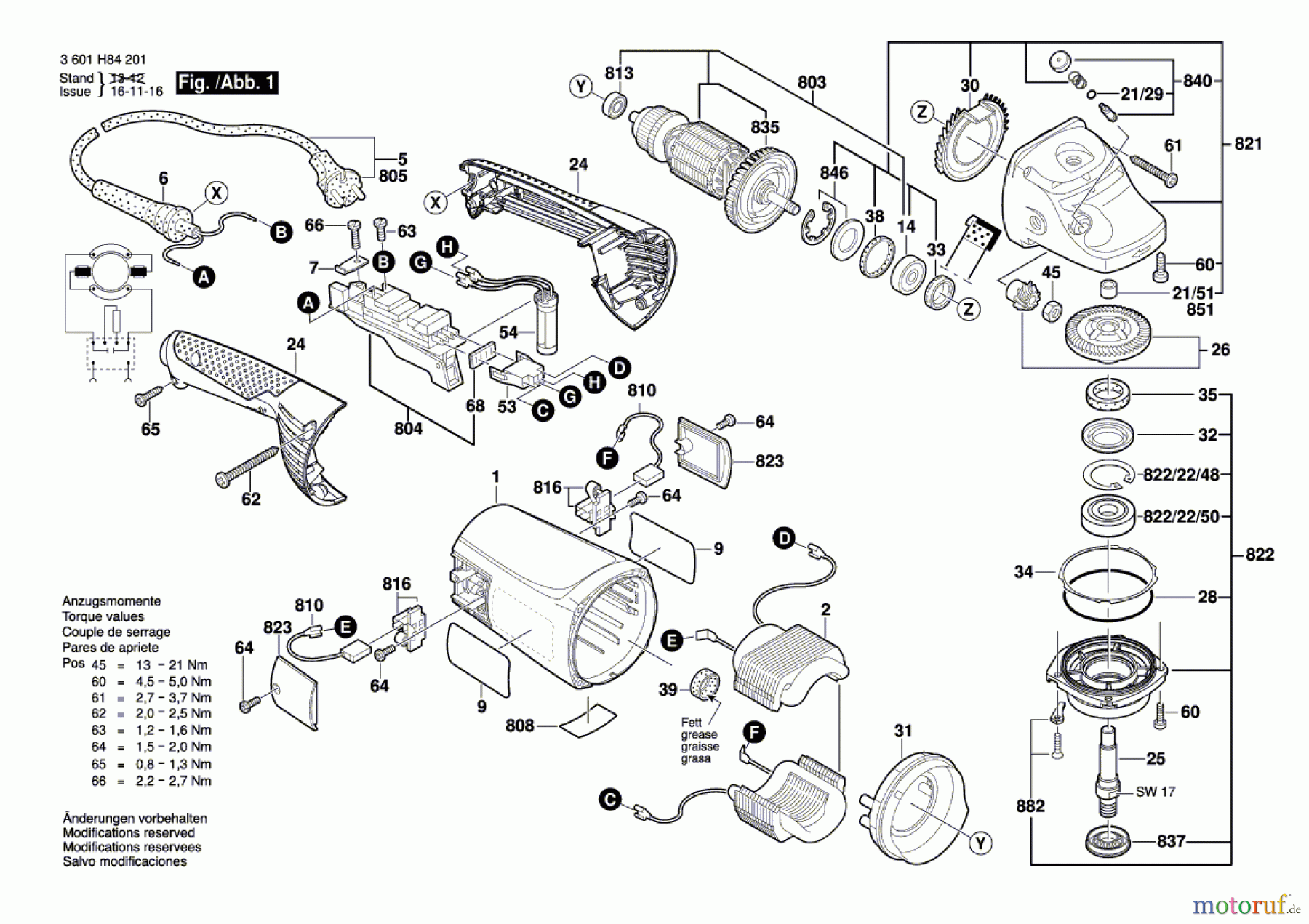
Artikel Nummer: 3 601 H84 201 (3601H84201)

Hier finden Sie die Ersatzteilzeichnung für Bosch Werkzeug Winkelschleifer GWS 24-230 JH Seite 1. Wählen Sie das benötigte Ersatzteil aus der Ersatzteilliste Ihres Bosch Gerätes aus und bestellen Sie einfach online. Viele Bosch Ersatzteile halten wir ständig in unserem Lager für Sie bereit.


Qualitätsmanagement
Informieren Sie uns, wenn Sie einen Fehler gefunden haben.

