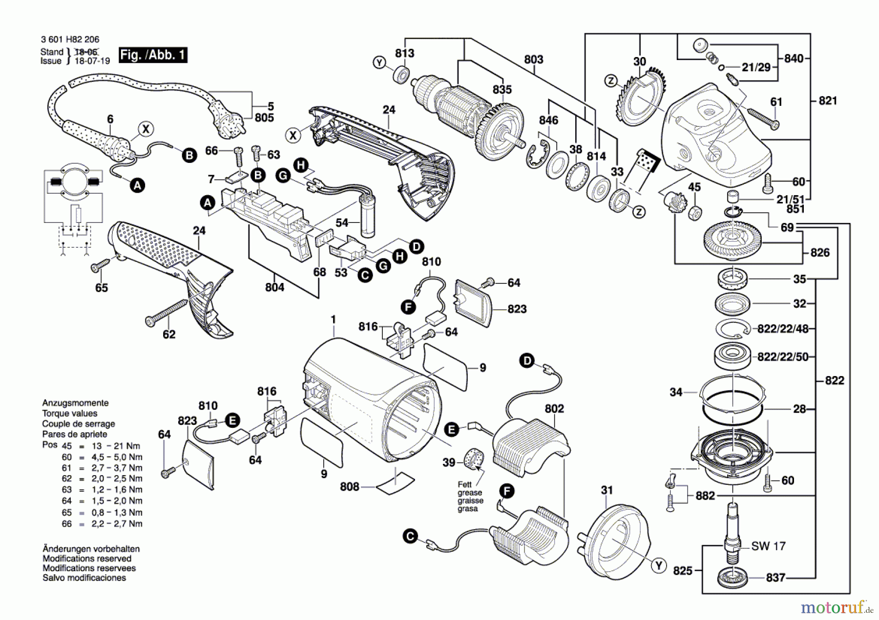
Bosch Winkelschleifer GWS 22-230 H Ersatzteile
GWS 22-230 H Winkelschleifer
Artikel Nummer: 3 601 H82 206 (3601H82206)

Hier finden Sie die Ersatzteilzeichnung für Bosch Werkzeug Winkelschleifer GWS 22-230 H Seite 1. Wählen Sie das benötigte Ersatzteil aus der Ersatzteilliste Ihres Bosch Gerätes aus und bestellen Sie einfach online. Viele Bosch Ersatzteile halten wir ständig in unserem Lager für Sie bereit.



