Bosch Winkelschleifer GWS 24-230 JVX Ersatzteile
GWS 24-230 JVX Winkelschleifer
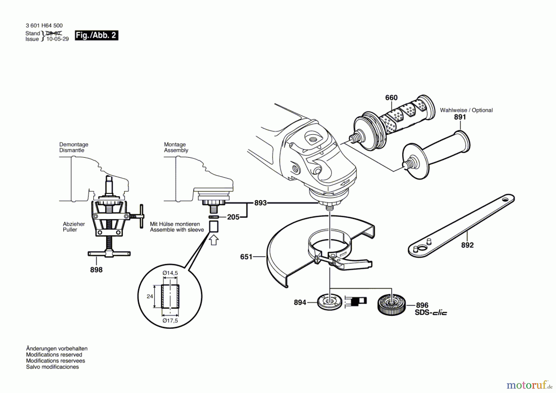
Artikel Nummer: 3 601 H64 500 (3601H64500)

Hier finden Sie die Ersatzteilzeichnung für Bosch Werkzeug Winkelschleifer GWS 24-230 JVX Seite 2. Wählen Sie das benötigte Ersatzteil aus der Ersatzteilliste Ihres Bosch Gerätes aus und bestellen Sie einfach online. Viele Bosch Ersatzteile halten wir ständig in unserem Lager für Sie bereit.
| BildNr | Artikel Nummer | Bezeichnung | |
| 205 | 1 600 209 015 | Sicherungsring | |
| 651 | 1 600 A01 R96 | Schutzhaube | |
| 660 | 1 602 025 051 | Zusatzhandgriff | |
| 851 | 2 600 910 001 | Nadellager | |
| 891 | 1 602 025 022 | Zusatzhandgriff | |
| 892 | 1 607 950 061 | Zweilochmutterndreher | |
| 893 | 1 607 000 368 | Aufnahmeflansch | |
| 894 | 1 603 345 043 | Rundmutter | |
| 896 | 1 600 A01 6PP | Schnellspannmutter | |
| 898 | 1 609 244 A78 | Abziehvorrichtung | |



