Bosch Winkelschleifer GWS 10-125 Z Ersatzteile
GWS 10-125 Z Winkelschleifer
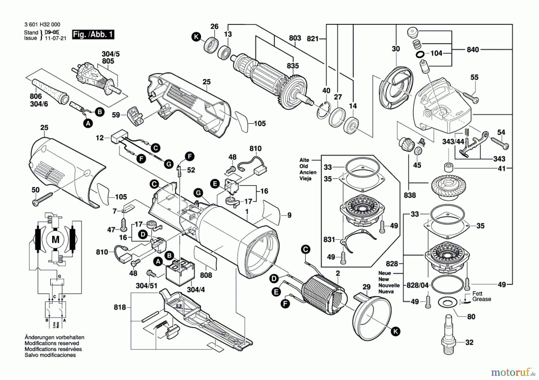
Artikel Nummer: 3 601 H32 000 (3601H32000) 

Hier finden Sie die Ersatzteilzeichnung für Bosch Werkzeug Winkelschleifer GWS 10-125 Z Seite 1. Wählen Sie das benötigte Ersatzteil aus der Ersatzteilliste Ihres Bosch Gerätes aus und bestellen Sie einfach online. Viele Bosch Ersatzteile halten wir ständig in unserem Lager für Sie bereit.


Qualitätsmanagement
 Informieren Sie uns, wenn Sie einen Fehler gefunden haben.



