Bosch Winkelschleifer GWS 1400 Ersatzteile
GWS 1400 Winkelschleifer
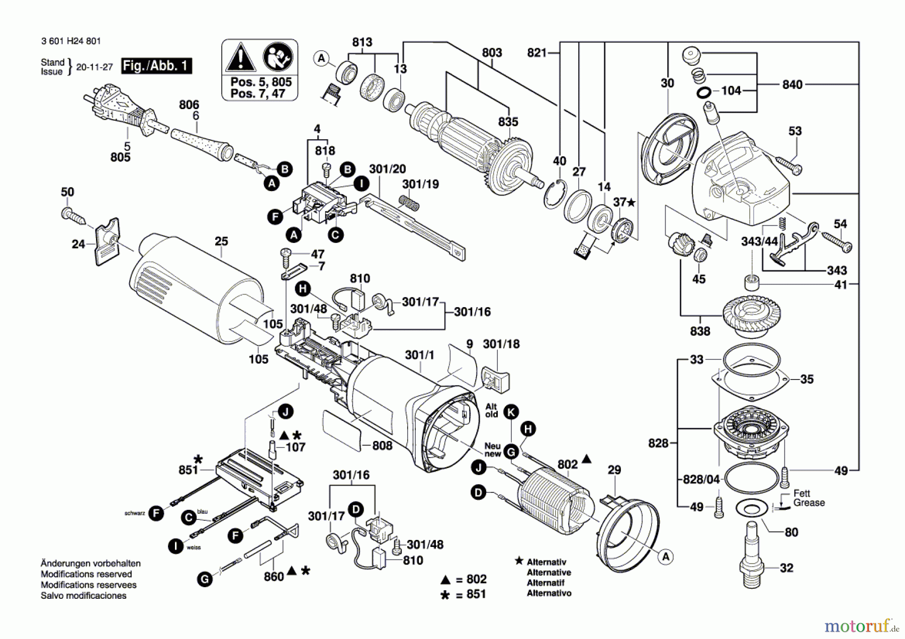
Artikel Nummer: 3 601 H24 801 (3601H24801)

Hier finden Sie die Ersatzteilzeichnung für Bosch Werkzeug Winkelschleifer GWS 1400 Seite 1. Wählen Sie das benötigte Ersatzteil aus der Ersatzteilliste Ihres Bosch Gerätes aus und bestellen Sie einfach online. Viele Bosch Ersatzteile halten wir ständig in unserem Lager für Sie bereit.


Qualitätsmanagement
Informieren Sie uns, wenn Sie einen Fehler gefunden haben.


