Bosch Winkelschleifer GWS 1100 Ersatzteile
GWS 1100 Winkelschleifer
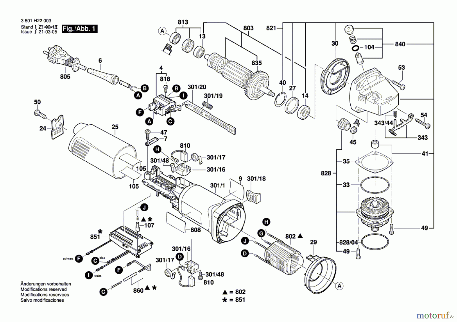
Artikel Nummer: 3 601 H22 003 (3601H22003)

Hier finden Sie die Ersatzteilzeichnung für Bosch Werkzeug Winkelschleifer GWS 1100 Seite 1. Wählen Sie das benötigte Ersatzteil aus der Ersatzteilliste Ihres Bosch Gerätes aus und bestellen Sie einfach online. Viele Bosch Ersatzteile halten wir ständig in unserem Lager für Sie bereit.
Häufig benötigte Bosch Winkelschleifer GWS 1100 Ersatzteile

Artikelnummer: 1 607 014 176
Suche nach: 1 607 014 176
Hersteller: Bosch
Bosch Ersatzteil GWS 1100
Suche nach: 1 607 014 176
Hersteller: Bosch
Bosch Ersatzteil GWS 1100
15.39 €
für EU incl. MwSt., zzgl. Versand


Qualitätsmanagement
Informieren Sie uns, wenn Sie einen Fehler gefunden haben.



