Bosch Winkelschleifer GWX 10-125 Ersatzteile
GWX 10-125 Winkelschleifer
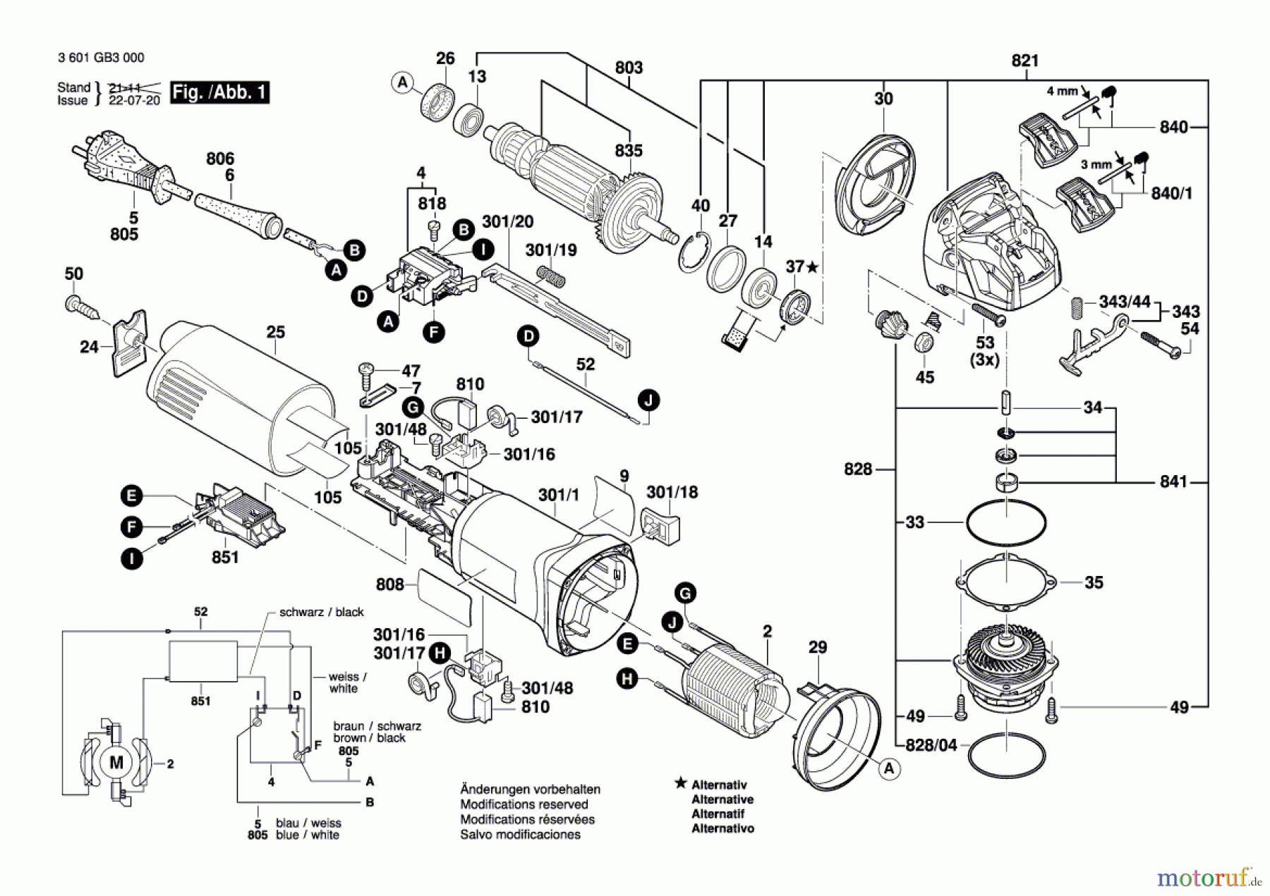
Artikel Nummer: 3 601 GB3 000 (3601GB3000)

Hier finden Sie die Ersatzteilzeichnung für Bosch Werkzeug Winkelschleifer GWX 10-125 Seite 1. Wählen Sie das benötigte Ersatzteil aus der Ersatzteilliste Ihres Bosch Gerätes aus und bestellen Sie einfach online. Viele Bosch Ersatzteile halten wir ständig in unserem Lager für Sie bereit.


Qualitätsmanagement
Informieren Sie uns, wenn Sie einen Fehler gefunden haben.


