Bosch Winkelschleifer GWS19 CIE 115mm (3M) Ersatzteile
GWS19 CIE 115mm (3M) Winkelschleifer
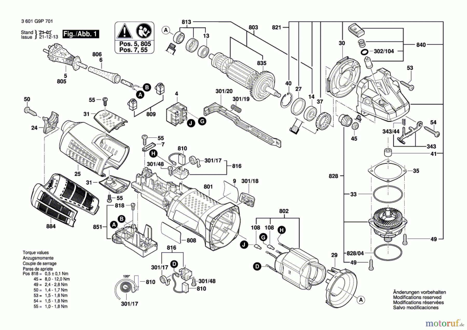
Artikel Nummer: 3 601 G9P 701 (3601G9P701)

Hier finden Sie die Ersatzteilzeichnung für Bosch Werkzeug Winkelschleifer GWS19 CIE 115mm (3M) Seite 1. Wählen Sie das benötigte Ersatzteil aus der Ersatzteilliste Ihres Bosch Gerätes aus und bestellen Sie einfach online. Viele Bosch Ersatzteile halten wir ständig in unserem Lager für Sie bereit.


Qualitätsmanagement
Informieren Sie uns, wenn Sie einen Fehler gefunden haben.

