Bosch Winkelschleifer GWS 19-125CIE Ersatzteile
GWS 19-125CIE Winkelschleifer
Artikel Nummer: 3 601 G9P 001 (3601G9P001)

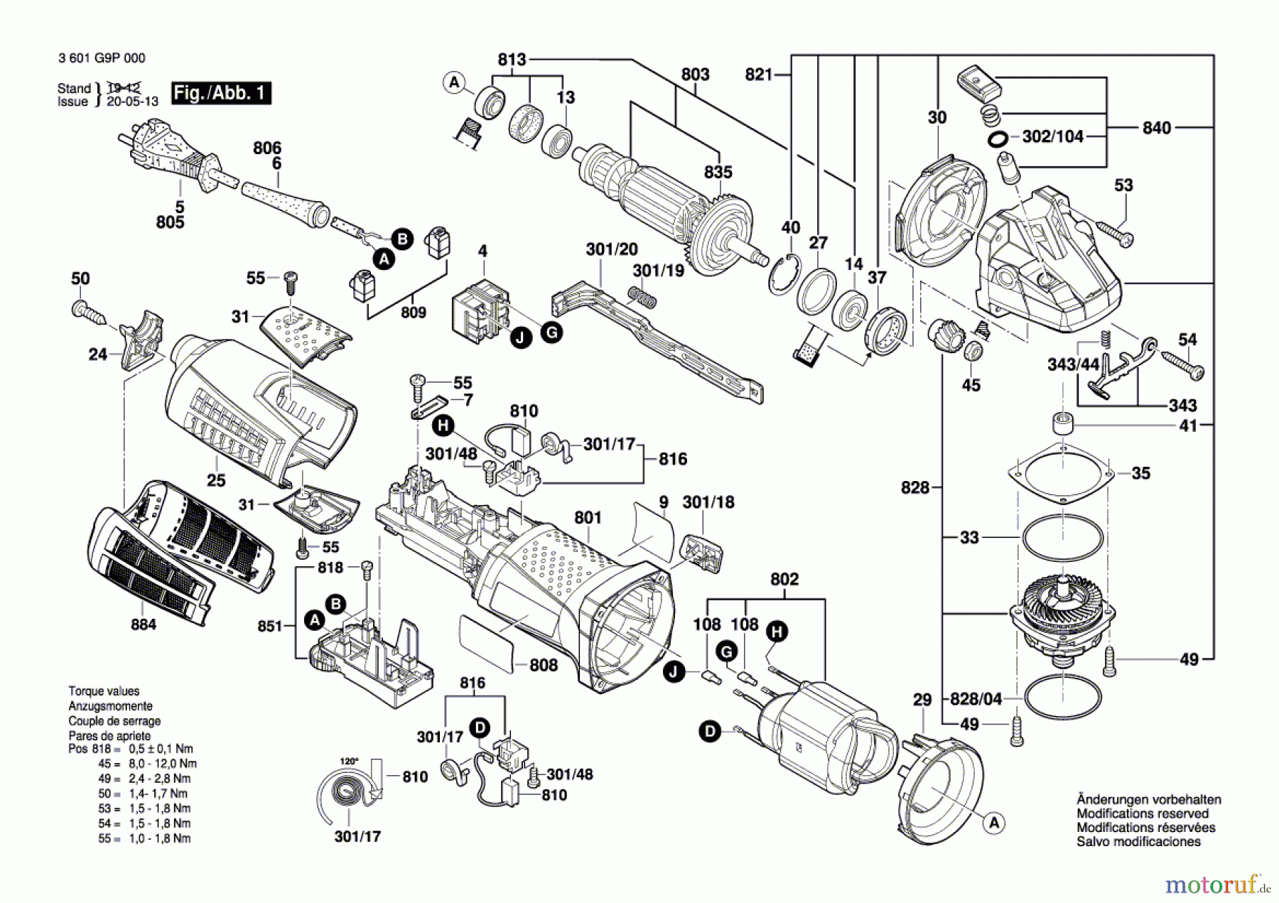
Hier finden Sie die Ersatzteilzeichnung für Bosch Werkzeug Winkelschleifer GWS 19-125CIE Seite 1. Wählen Sie das benötigte Ersatzteil aus der Ersatzteilliste Ihres Bosch Gerätes aus und bestellen Sie einfach online. Viele Bosch Ersatzteile halten wir ständig in unserem Lager für Sie bereit.


Qualitätsmanagement
Informieren Sie uns, wenn Sie einen Fehler gefunden haben.

