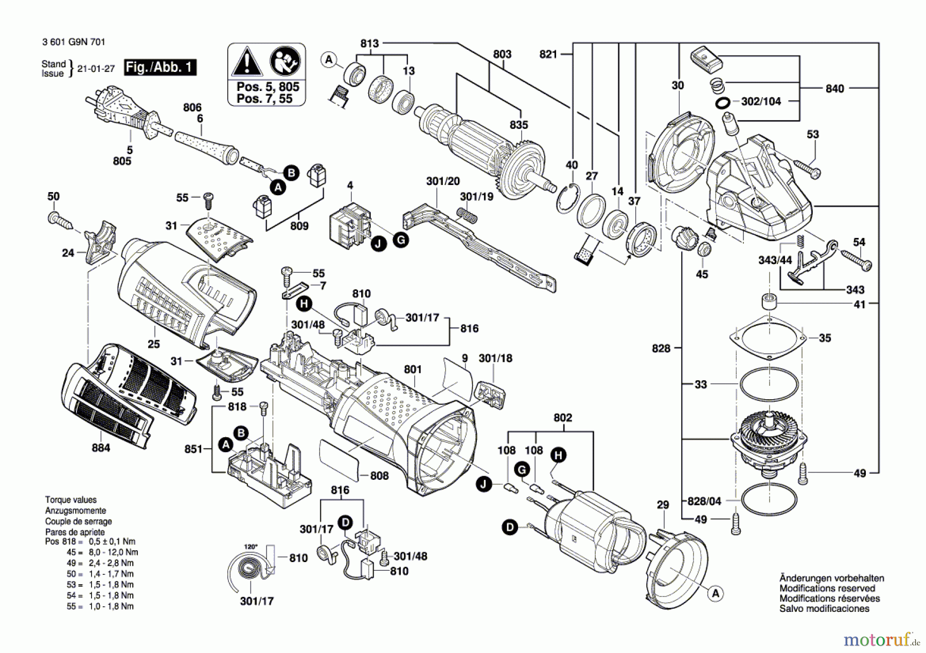
Bosch Winkelschleifer GWS19 CI 115mm (3M) Ersatzteile
GWS19 CI 115mm (3M) Winkelschleifer
Artikel Nummer: 3 601 G9N 701 (3601G9N701)

Hier finden Sie die Ersatzteilzeichnung für Bosch Werkzeug Winkelschleifer GWS19 CI 115mm (3M) Seite 1. Wählen Sie das benötigte Ersatzteil aus der Ersatzteilliste Ihres Bosch Gerätes aus und bestellen Sie einfach online. Viele Bosch Ersatzteile halten wir ständig in unserem Lager für Sie bereit.



