Bosch Winkelschleifer CG 17-150 Ersatzteile
CG 17-150 Winkelschleifer
Artikel Nummer: 3 601 G9K J00 (3601G9KJ00)

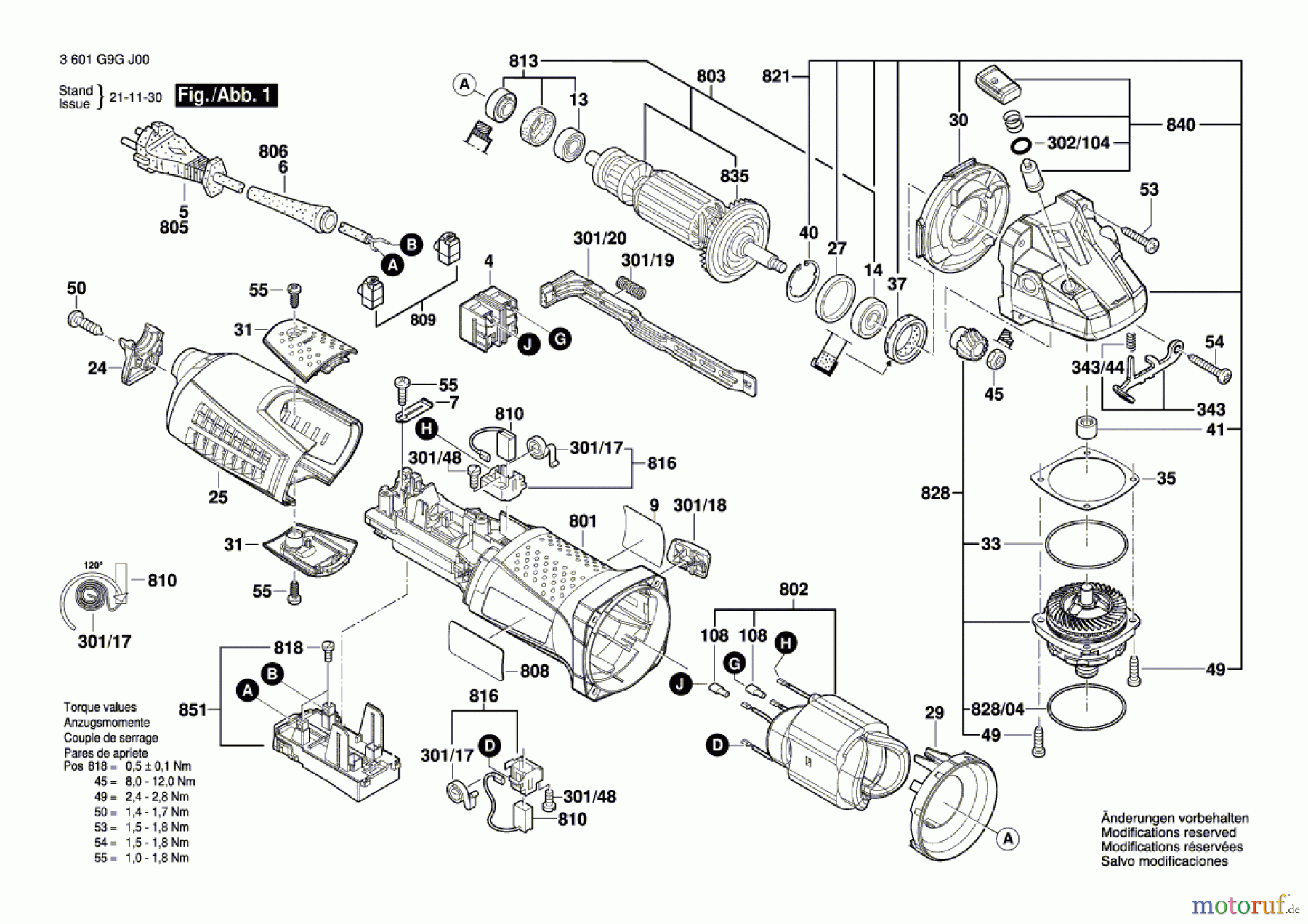
Hier finden Sie die Ersatzteilzeichnung für Bosch Werkzeug Winkelschleifer CG 17-150 Seite 1. Wählen Sie das benötigte Ersatzteil aus der Ersatzteilliste Ihres Bosch Gerätes aus und bestellen Sie einfach online. Viele Bosch Ersatzteile halten wir ständig in unserem Lager für Sie bereit.


Qualitätsmanagement
Informieren Sie uns, wenn Sie einen Fehler gefunden haben.

