Bosch Winkelschleifer WKS 17-125 RE Ersatzteile
WKS 17-125 RE Winkelschleifer
Artikel Nummer: 3 601 G9H 900 (3601G9H900)

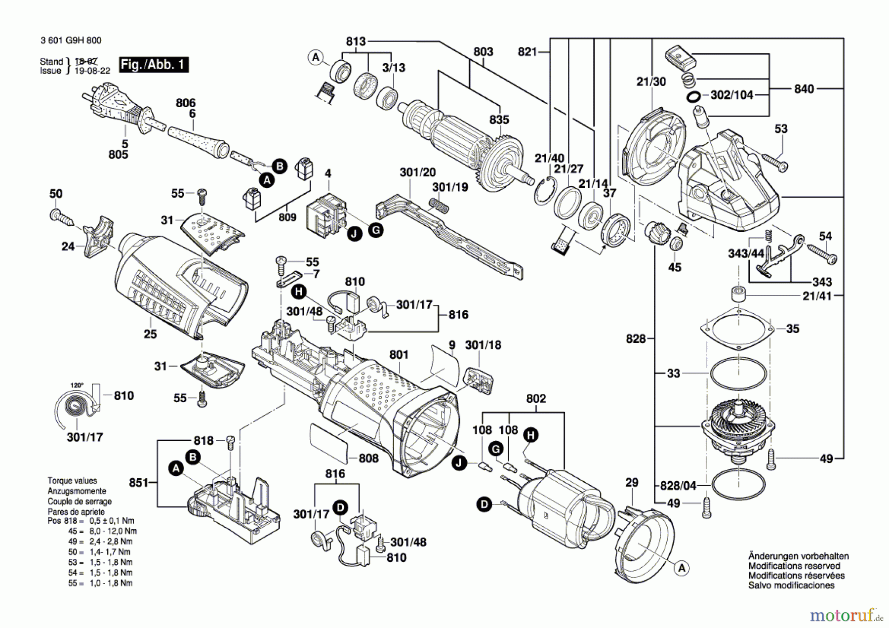
Hier finden Sie die Ersatzteilzeichnung für Bosch Werkzeug Winkelschleifer WKS 17-125 RE Seite 1. Wählen Sie das benötigte Ersatzteil aus der Ersatzteilliste Ihres Bosch Gerätes aus und bestellen Sie einfach online. Viele Bosch Ersatzteile halten wir ständig in unserem Lager für Sie bereit.


Qualitätsmanagement
Informieren Sie uns, wenn Sie einen Fehler gefunden haben.

