Bosch Winkelschleifer Hg 10-125VS Ersatzteile
Hg 10-125VS Winkelschleifer
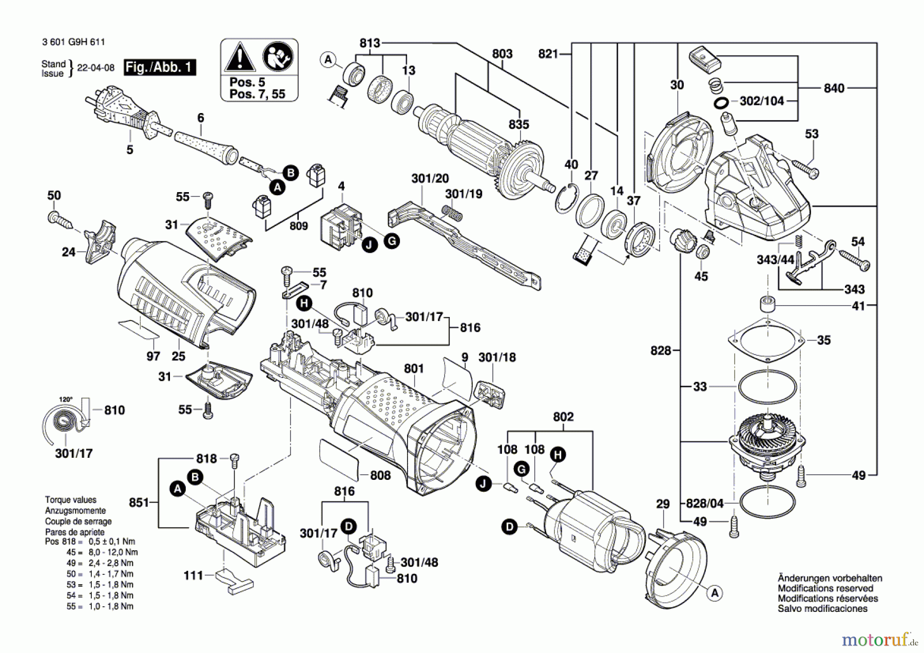
Artikel Nummer: 3 601 G9H 611 (3601G9H611)

Hier finden Sie die Ersatzteilzeichnung für Bosch Werkzeug Winkelschleifer Hg 10-125VS Seite 1. Wählen Sie das benötigte Ersatzteil aus der Ersatzteilliste Ihres Bosch Gerätes aus und bestellen Sie einfach online. Viele Bosch Ersatzteile halten wir ständig in unserem Lager für Sie bereit.


Qualitätsmanagement
Informieren Sie uns, wenn Sie einen Fehler gefunden haben.

