Bosch Winkelschleifer BAG 125-2 Ersatzteile
BAG 125-2 Winkelschleifer
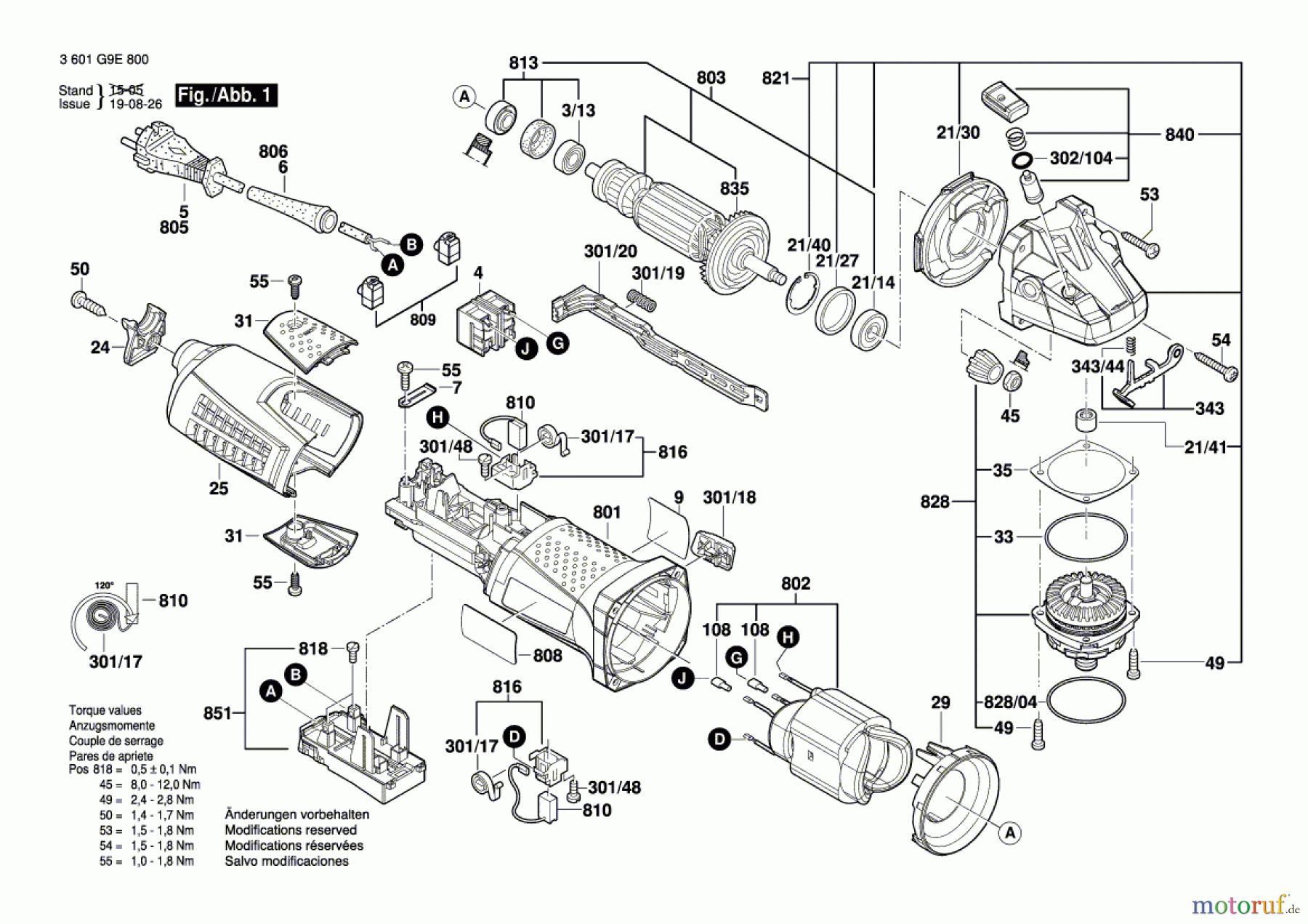
Artikel Nummer: 3 601 G9E 800 (3601G9E800)

Hier finden Sie die Ersatzteilzeichnung für Bosch Werkzeug Winkelschleifer BAG 125-2 Seite 1. Wählen Sie das benötigte Ersatzteil aus der Ersatzteilliste Ihres Bosch Gerätes aus und bestellen Sie einfach online. Viele Bosch Ersatzteile halten wir ständig in unserem Lager für Sie bereit.


Qualitätsmanagement
Informieren Sie uns, wenn Sie einen Fehler gefunden haben.


