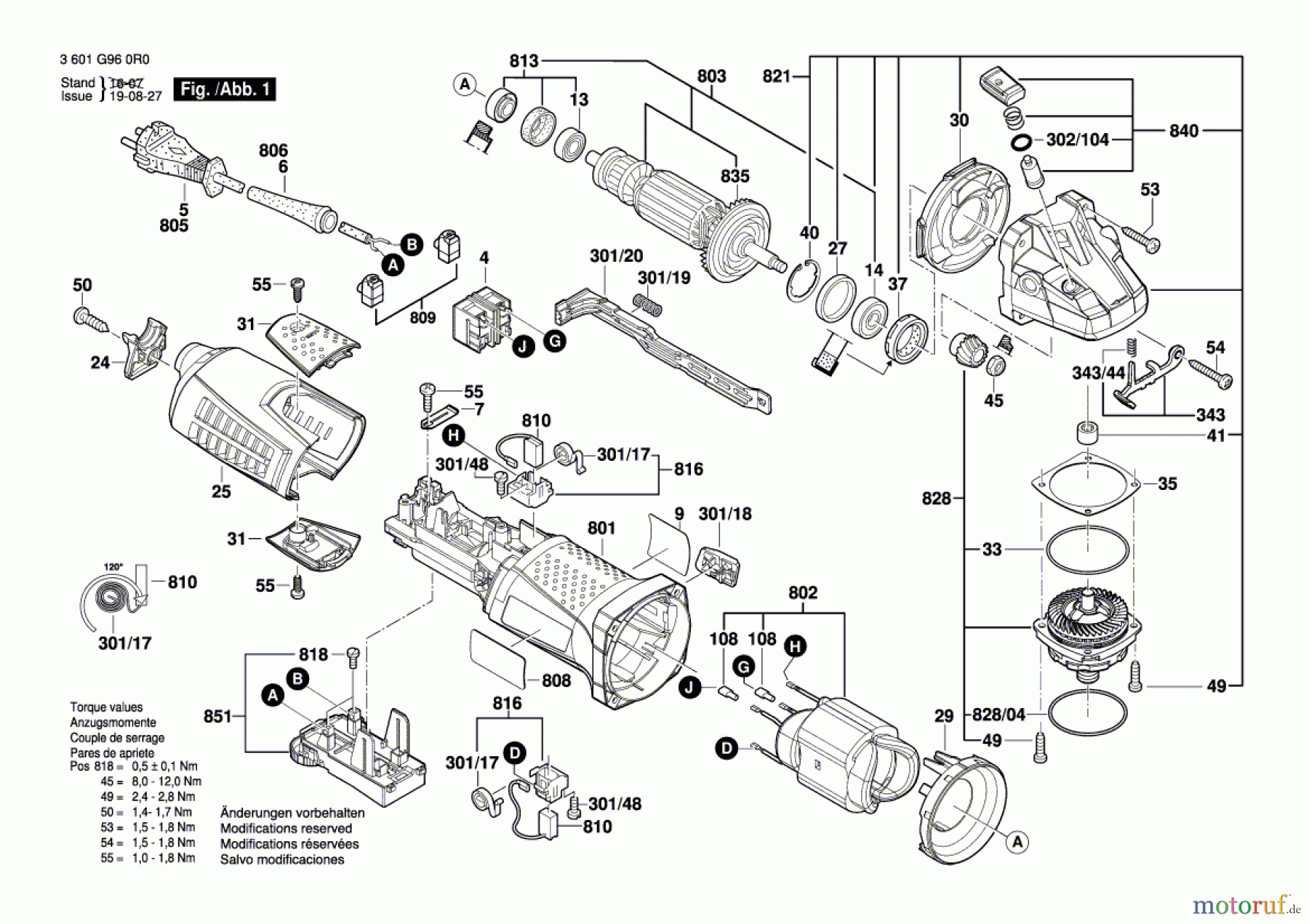
Bosch Winkelschleifer GWS 17-125 CIE Ersatzteile
GWS 17-125 CIE Winkelschleifer
Artikel Nummer: 3 601 G96 0R0 (3601G960R0)

Hier finden Sie die Ersatzteilzeichnung für Bosch Werkzeug Winkelschleifer GWS 17-125 CIE Seite 1. Wählen Sie das benötigte Ersatzteil aus der Ersatzteilliste Ihres Bosch Gerätes aus und bestellen Sie einfach online. Viele Bosch Ersatzteile halten wir ständig in unserem Lager für Sie bereit.



