Bosch Winkelschleifer GWS 17-125 CI Ersatzteile
GWS 17-125 CI Winkelschleifer
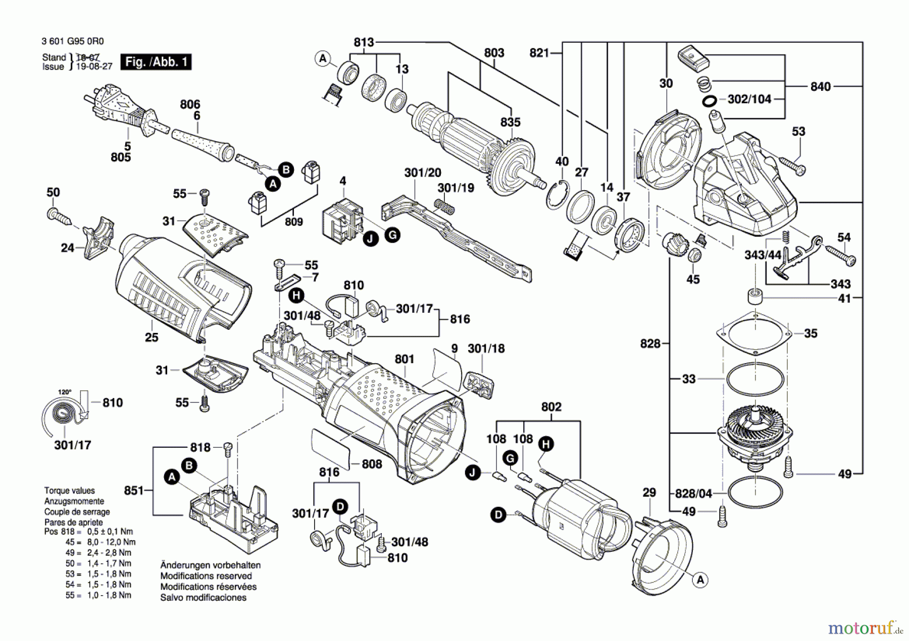
Artikel Nummer: 3 601 G95 0R0 (3601G950R0)

Hier finden Sie die Ersatzteilzeichnung für Bosch Werkzeug Winkelschleifer GWS 17-125 CI Seite 1. Wählen Sie das benötigte Ersatzteil aus der Ersatzteilliste Ihres Bosch Gerätes aus und bestellen Sie einfach online. Viele Bosch Ersatzteile halten wir ständig in unserem Lager für Sie bereit.


Qualitätsmanagement
Informieren Sie uns, wenn Sie einen Fehler gefunden haben.

