Bosch Betonschleifer GBR 15 CA Ersatzteile
GBR 15 CA Betonschleifer
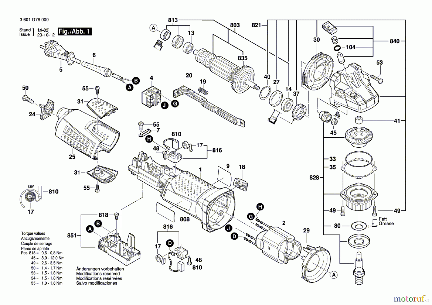
Artikel Nummer: 3 601 G76 000 (3601G76000)

Hier finden Sie die Ersatzteilzeichnung für Bosch Werkzeug Betonschleifer GBR 15 CA Seite 1. Wählen Sie das benötigte Ersatzteil aus der Ersatzteilliste Ihres Bosch Gerätes aus und bestellen Sie einfach online. Viele Bosch Ersatzteile halten wir ständig in unserem Lager für Sie bereit.


Qualitätsmanagement
Informieren Sie uns, wenn Sie einen Fehler gefunden haben.

