Bosch Akku-Kreissäge GKS 18V-68C Ersatzteile
GKS 18V-68C Akku-Kreissäge
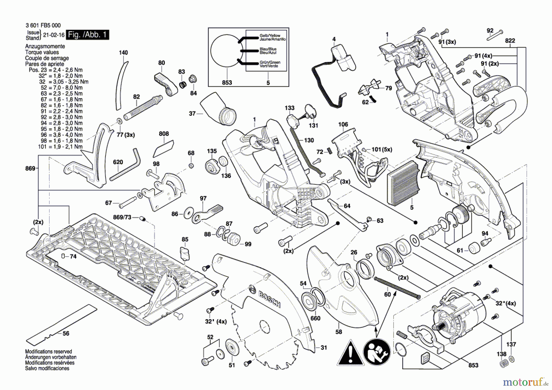
Artikel Nummer: 3 601 FB5 000 (3601FB5000)

Hier finden Sie die Ersatzteilzeichnung für Bosch Akku Werkzeug Akku-Kreissäge GKS 18V-68C Seite 1. Wählen Sie das benötigte Ersatzteil aus der Ersatzteilliste Ihres Bosch Gerätes aus und bestellen Sie einfach online. Viele Bosch Ersatzteile halten wir ständig in unserem Lager für Sie bereit.


Qualitätsmanagement
Informieren Sie uns, wenn Sie einen Fehler gefunden haben.