Bosch Handkreissäge GKS 65 CE Ersatzteile
GKS 65 CE Handkreissäge
Artikel Nummer: 3 601 F68 701 (3601F68701)

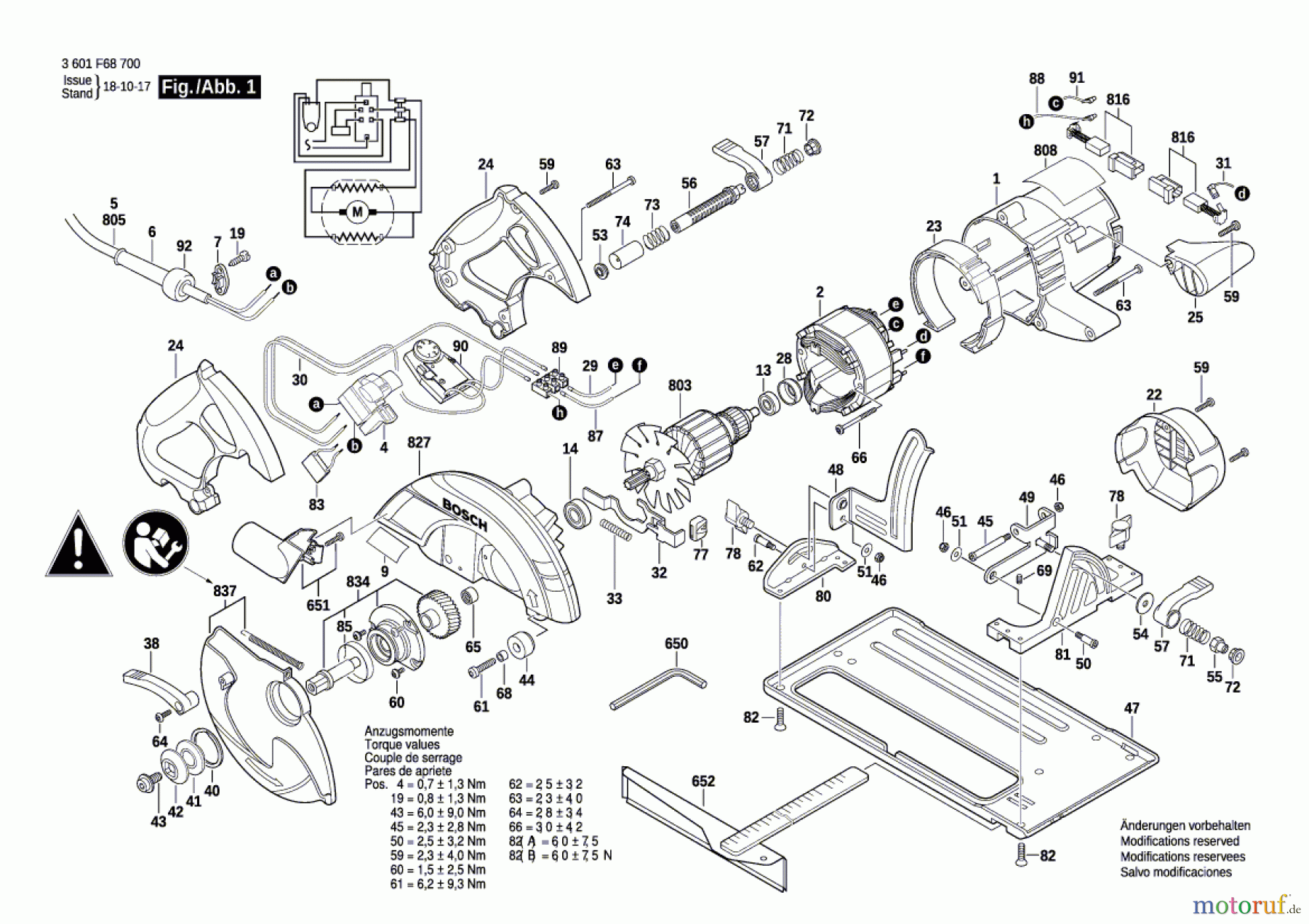
Hier finden Sie die Ersatzteilzeichnung für Bosch Werkzeug Handkreissäge GKS 65 CE Seite 1. Wählen Sie das benötigte Ersatzteil aus der Ersatzteilliste Ihres Bosch Gerätes aus und bestellen Sie einfach online. Viele Bosch Ersatzteile halten wir ständig in unserem Lager für Sie bereit.


Qualitätsmanagement
Informieren Sie uns, wenn Sie einen Fehler gefunden haben.


