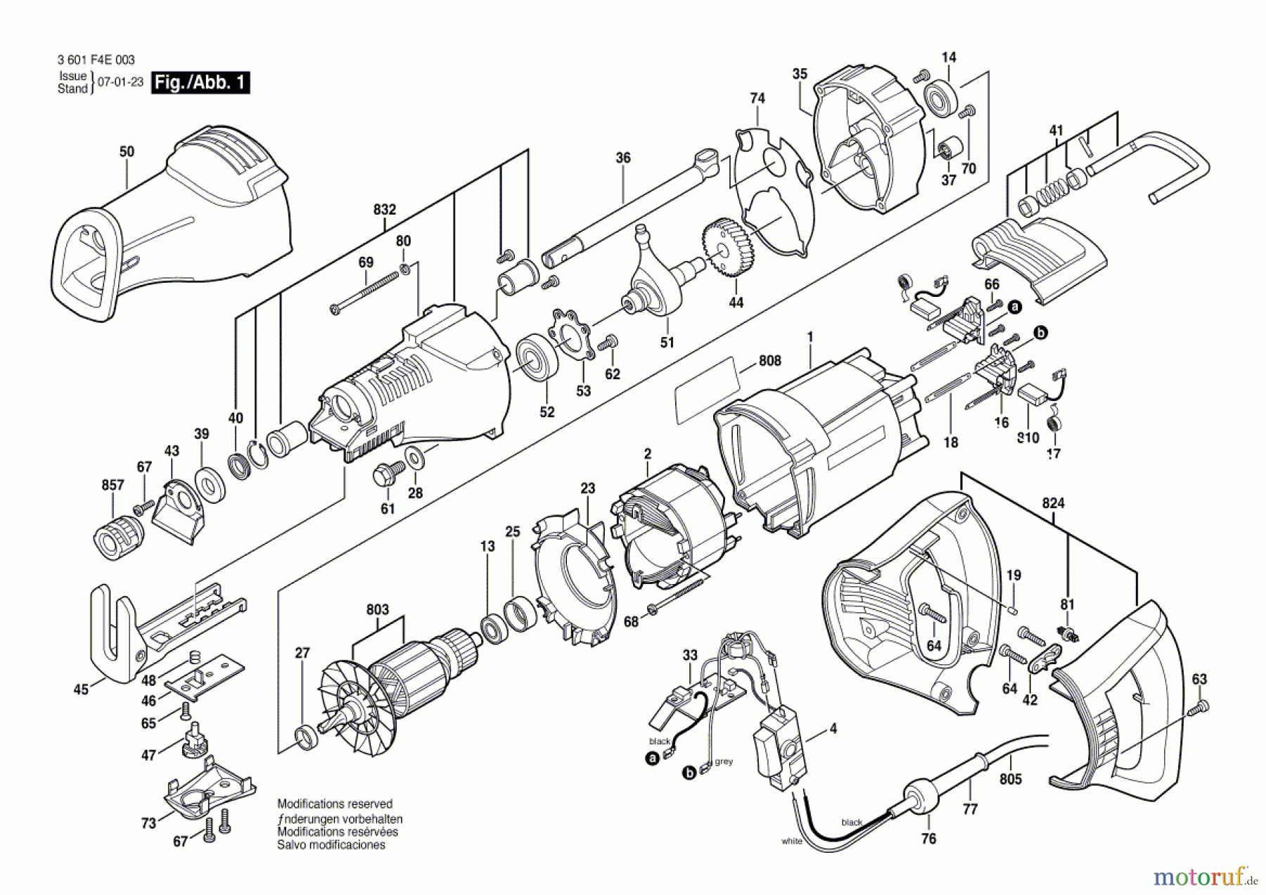
Bosch Säbelsäge GSA 1200 E Ersatzteile
GSA 1200 E Säbelsäge
Artikel Nummer: 3 601 F4E 003 (3601F4E003)

Hier finden Sie die Ersatzteilzeichnung für Bosch Werkzeug Säbelsäge GSA 1200 E Seite 1. Wählen Sie das benötigte Ersatzteil aus der Ersatzteilliste Ihres Bosch Gerätes aus und bestellen Sie einfach online. Viele Bosch Ersatzteile halten wir ständig in unserem Lager für Sie bereit.



