Bosch Akku-Lampe GLI 18V-1900 C Ersatzteile
GLI 18V-1900 C Akku-Lampe
Artikel Nummer: 3 601 D46 500 (3601D46500)

Hier finden Sie die Ersatzteilzeichnung für Bosch Akku Werkzeug Akku-Lampe GLI 18V-1900 C Seite 1. Wählen Sie das benötigte Ersatzteil aus der Ersatzteilliste Ihres Bosch Gerätes aus und bestellen Sie einfach online. Viele Bosch Ersatzteile halten wir ständig in unserem Lager für Sie bereit.
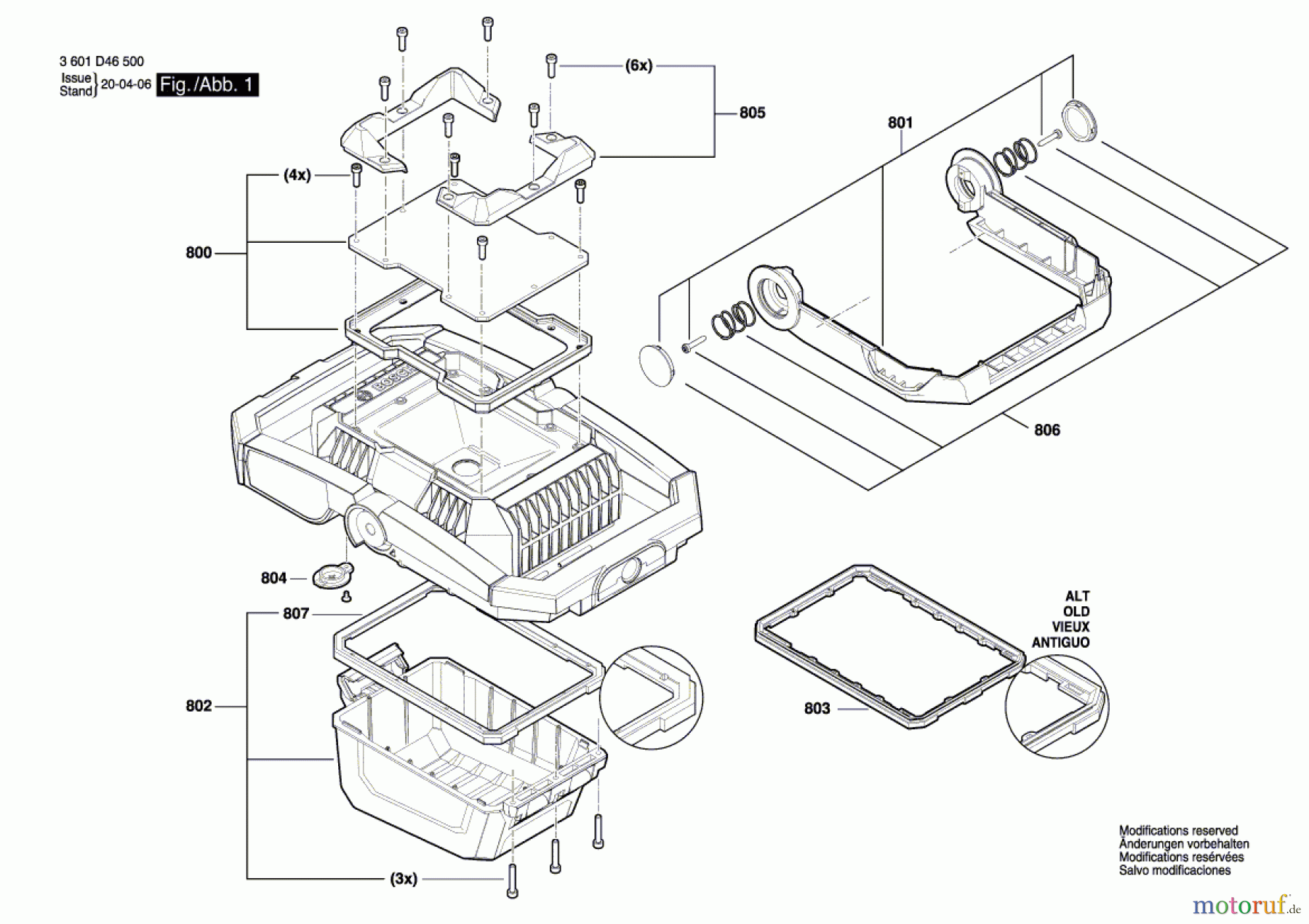
| BildNr | Artikel Nummer | Bezeichnung | |
| 800 | 1 607 000 C68 | Schutzglas | |
| 801 | 1 607 000 C69 | Stützfuss | |
| 802 | 1 605 500 2GW | Batterieabdeckkappe | |
| 803 | 1 607 000 C6B | Dichtung | |
| 804 | 1 607 000 C6C | Batteriedeckel | |
| 805 | 1 607 000 CD1 | Abstandhalter | |
| 806 | 1 607 000 CR4 | Federnsatz | |
| 807 | 1 607 000 E0N | Dichtung | |



