Bosch Winkelschleifer GWS 700 Ersatzteile
GWS 700 Winkelschleifer
Artikel Nummer: 3 601 C94 002 (3601C94002)

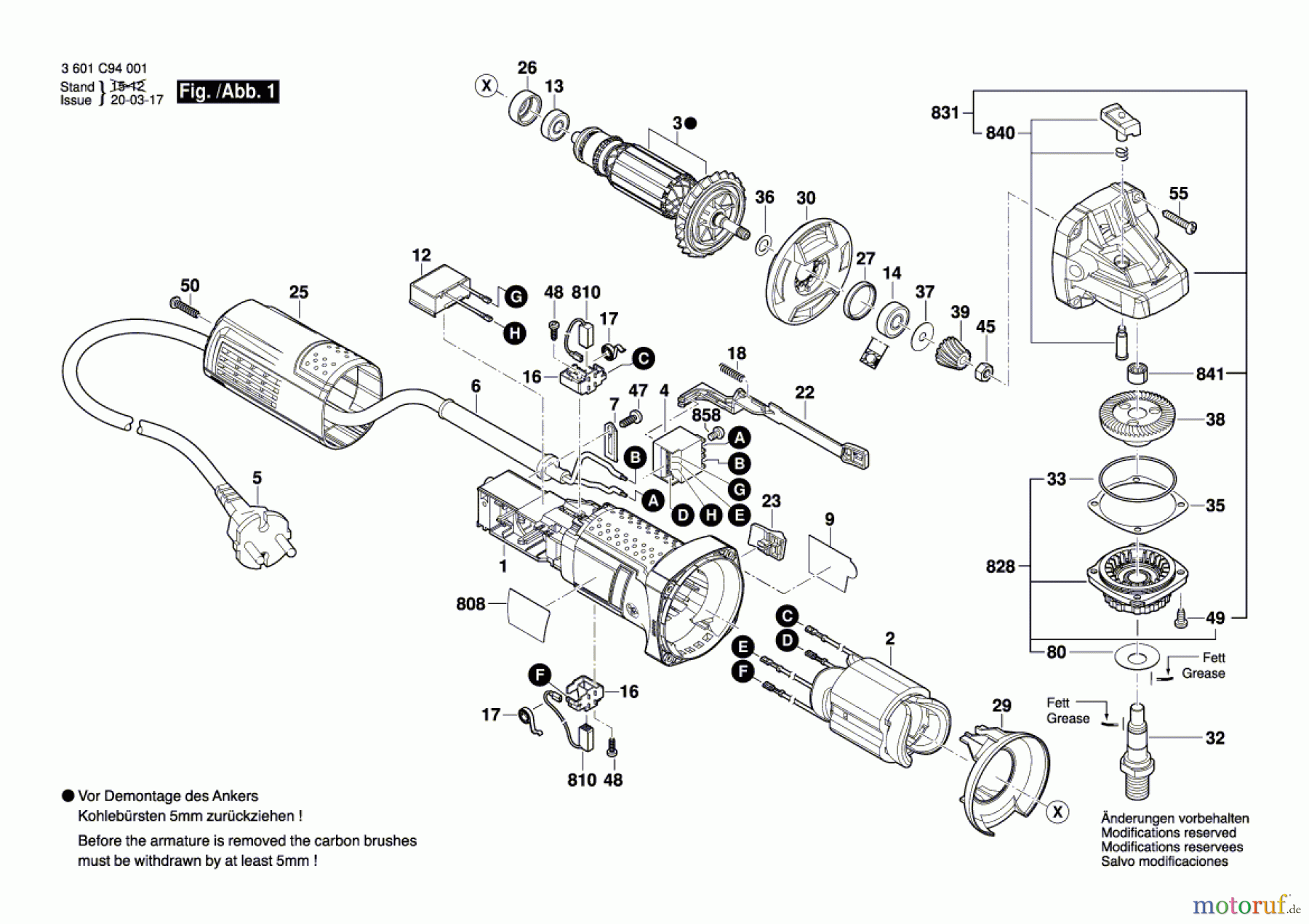
Hier finden Sie die Ersatzteilzeichnung für Bosch Werkzeug Winkelschleifer GWS 700 Seite 1. Wählen Sie das benötigte Ersatzteil aus der Ersatzteilliste Ihres Bosch Gerätes aus und bestellen Sie einfach online. Viele Bosch Ersatzteile halten wir ständig in unserem Lager für Sie bereit.


Qualitätsmanagement
Informieren Sie uns, wenn Sie einen Fehler gefunden haben.


