Bosch Winkelschleifer EWS 7-125 BASIC Ersatzteile
EWS 7-125 BASIC Winkelschleifer
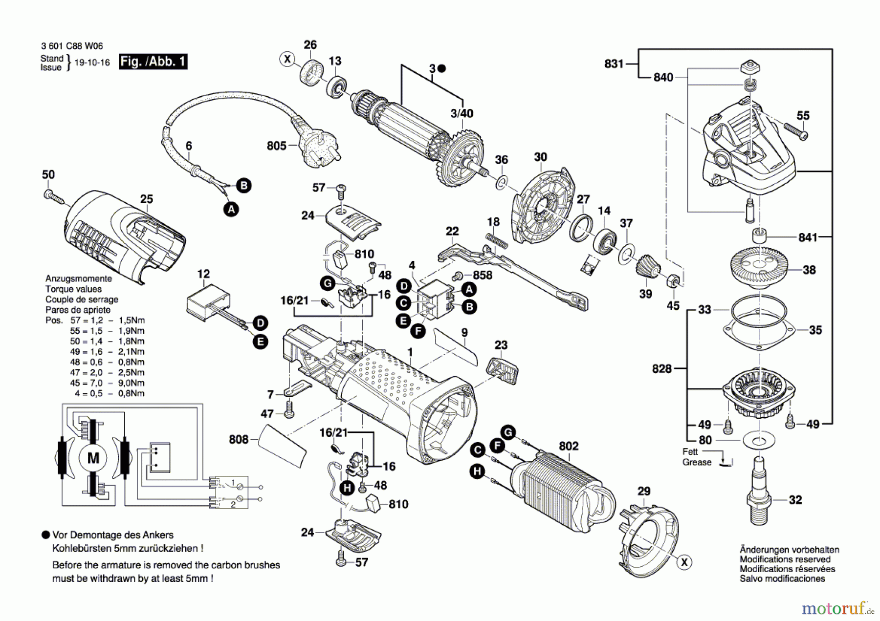
Artikel Nummer: 3 601 C88 W06 (3601C88W06)

Hier finden Sie die Ersatzteilzeichnung für Bosch Werkzeug Winkelschleifer EWS 7-125 BASIC Seite 1. Wählen Sie das benötigte Ersatzteil aus der Ersatzteilliste Ihres Bosch Gerätes aus und bestellen Sie einfach online. Viele Bosch Ersatzteile halten wir ständig in unserem Lager für Sie bereit.


Qualitätsmanagement
Informieren Sie uns, wenn Sie einen Fehler gefunden haben.


