Bosch Akku-Geradschleifer GGS 18V-10SLC Ersatzteile
GGS 18V-10SLC Akku-Geradschleifer
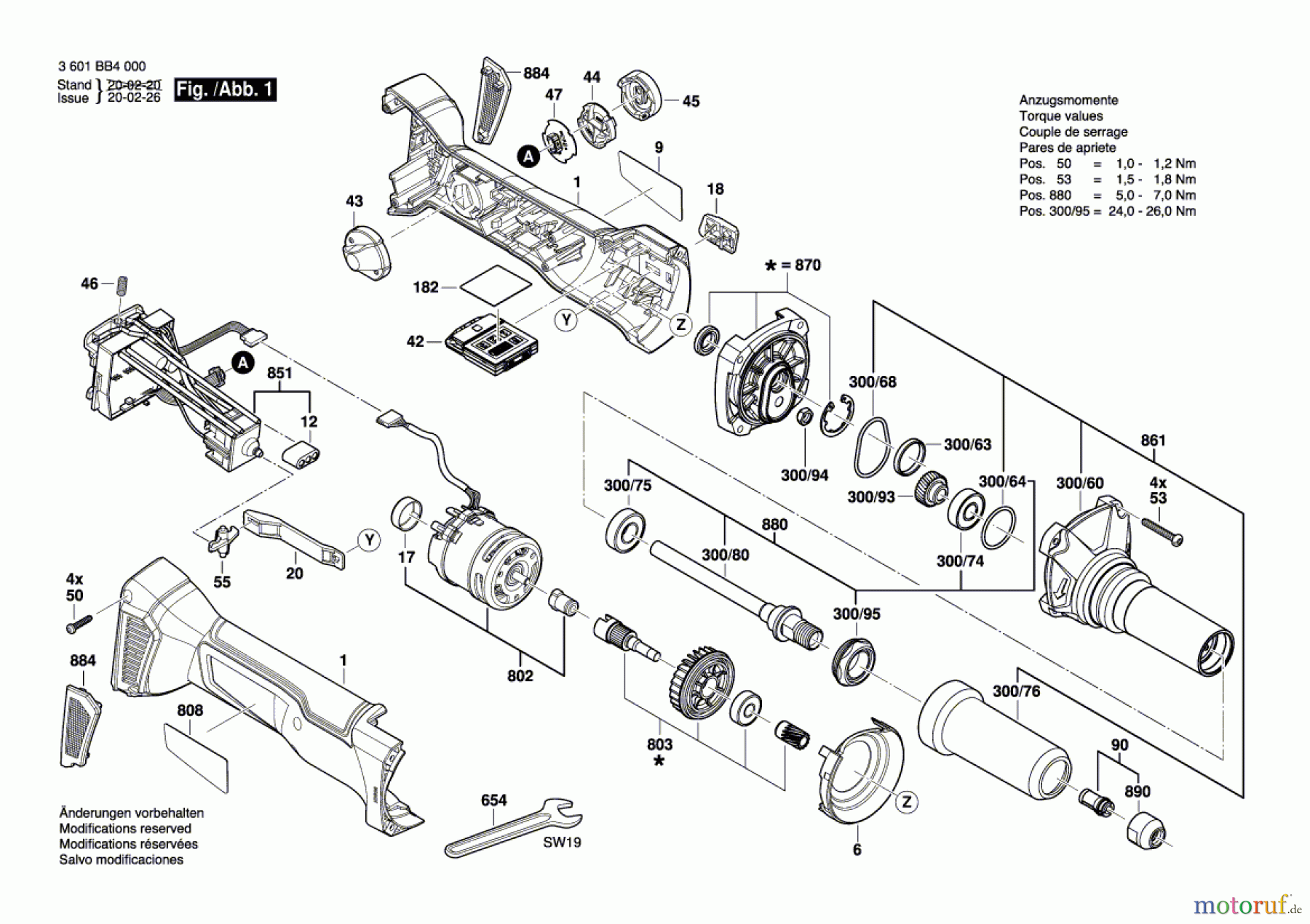
Artikel Nummer: 3 601 BB4 000 (3601BB4000)

Hier finden Sie die Ersatzteilzeichnung für Bosch Akku Werkzeug Akku-Geradschleifer GGS 18V-10SLC Seite 1. Wählen Sie das benötigte Ersatzteil aus der Ersatzteilliste Ihres Bosch Gerätes aus und bestellen Sie einfach online. Viele Bosch Ersatzteile halten wir ständig in unserem Lager für Sie bereit.



