Bosch Gw-Geradschleifer GGS 18 H Ersatzteile
GGS 18 H Gw-Geradschleifer
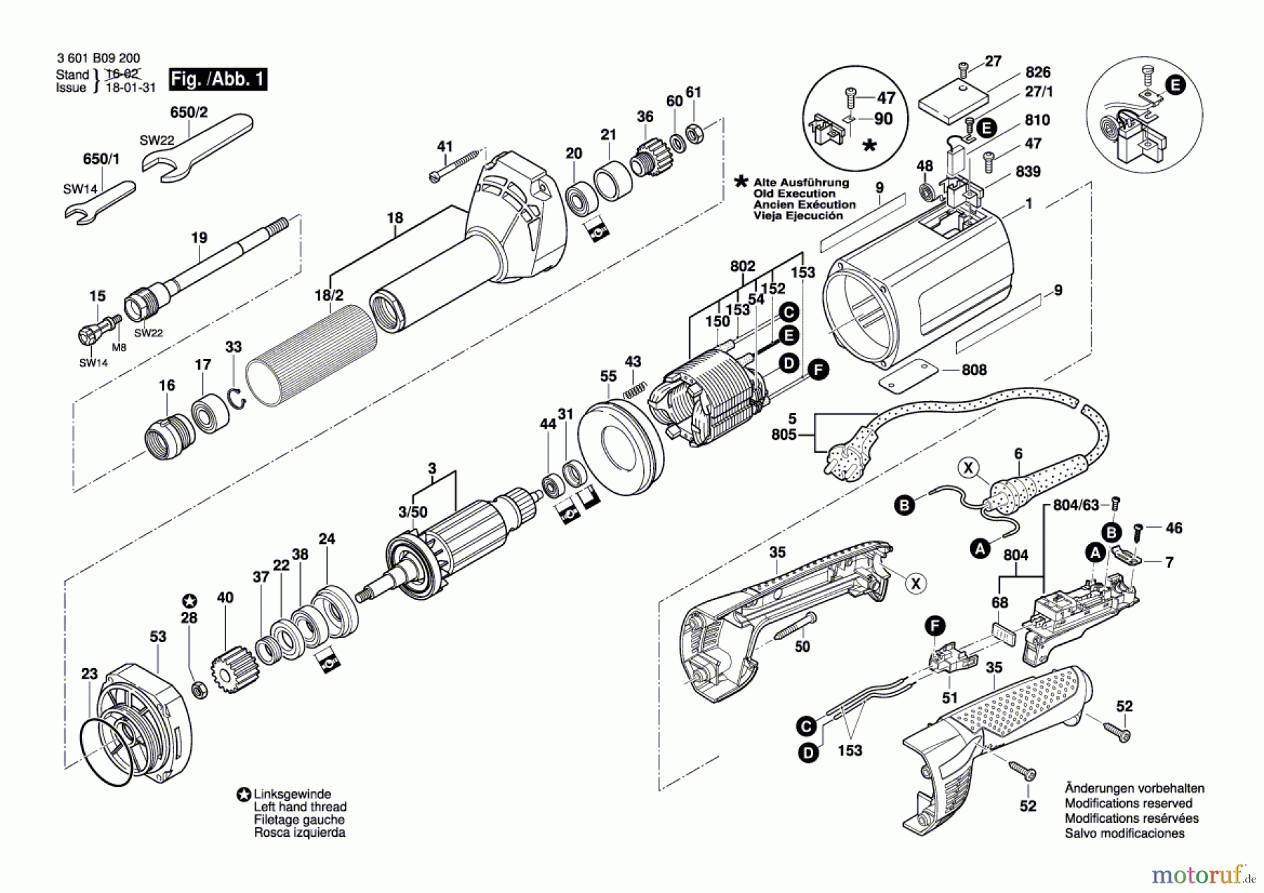
Artikel Nummer: 3 601 B09 200 (3601B09200)

Hier finden Sie die Ersatzteilzeichnung für Bosch Werkzeug Gw-Geradschleifer GGS 18 H Seite 1. Wählen Sie das benötigte Ersatzteil aus der Ersatzteilliste Ihres Bosch Gerätes aus und bestellen Sie einfach online. Viele Bosch Ersatzteile halten wir ständig in unserem Lager für Sie bereit.


Qualitätsmanagement
Informieren Sie uns, wenn Sie einen Fehler gefunden haben.

