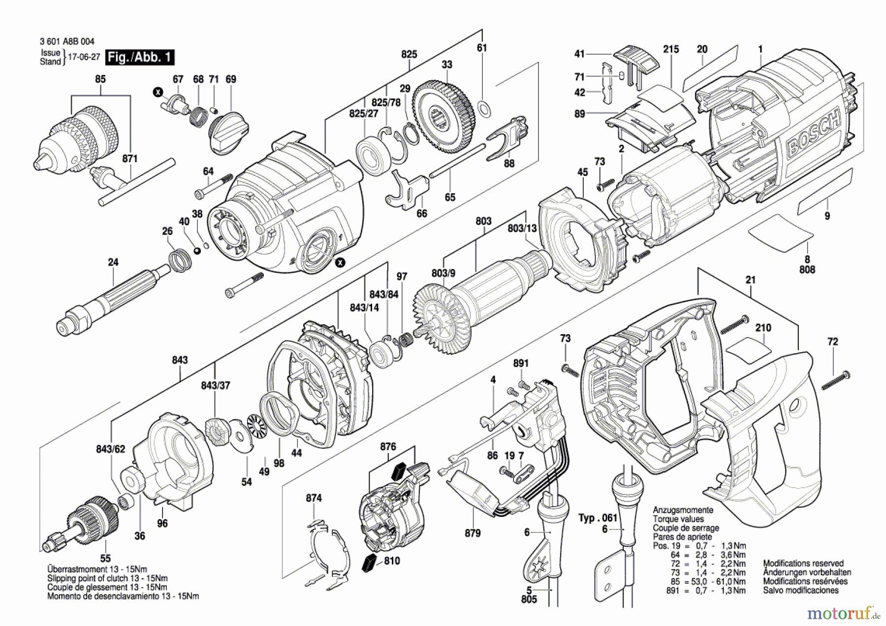
Bosch Schlagbohrmaschine GSB 162-2 Ersatzteile
GSB 162-2 Schlagbohrmaschine
Artikel Nummer: 3 601 A8B 004 (3601A8B004)

Hier finden Sie die Ersatzteilzeichnung für Bosch Werkzeug Schlagbohrmaschine GSB 162-2 Seite 1. Wählen Sie das benötigte Ersatzteil aus der Ersatzteilliste Ihres Bosch Gerätes aus und bestellen Sie einfach online. Viele Bosch Ersatzteile halten wir ständig in unserem Lager für Sie bereit.


Qualitätsmanagement
Informieren Sie uns, wenn Sie einen Fehler gefunden haben.

