Bosch Hochdruckreiniger GHP 5-75 Ersatzteile
GHP 5-75 Hochdruckreiniger
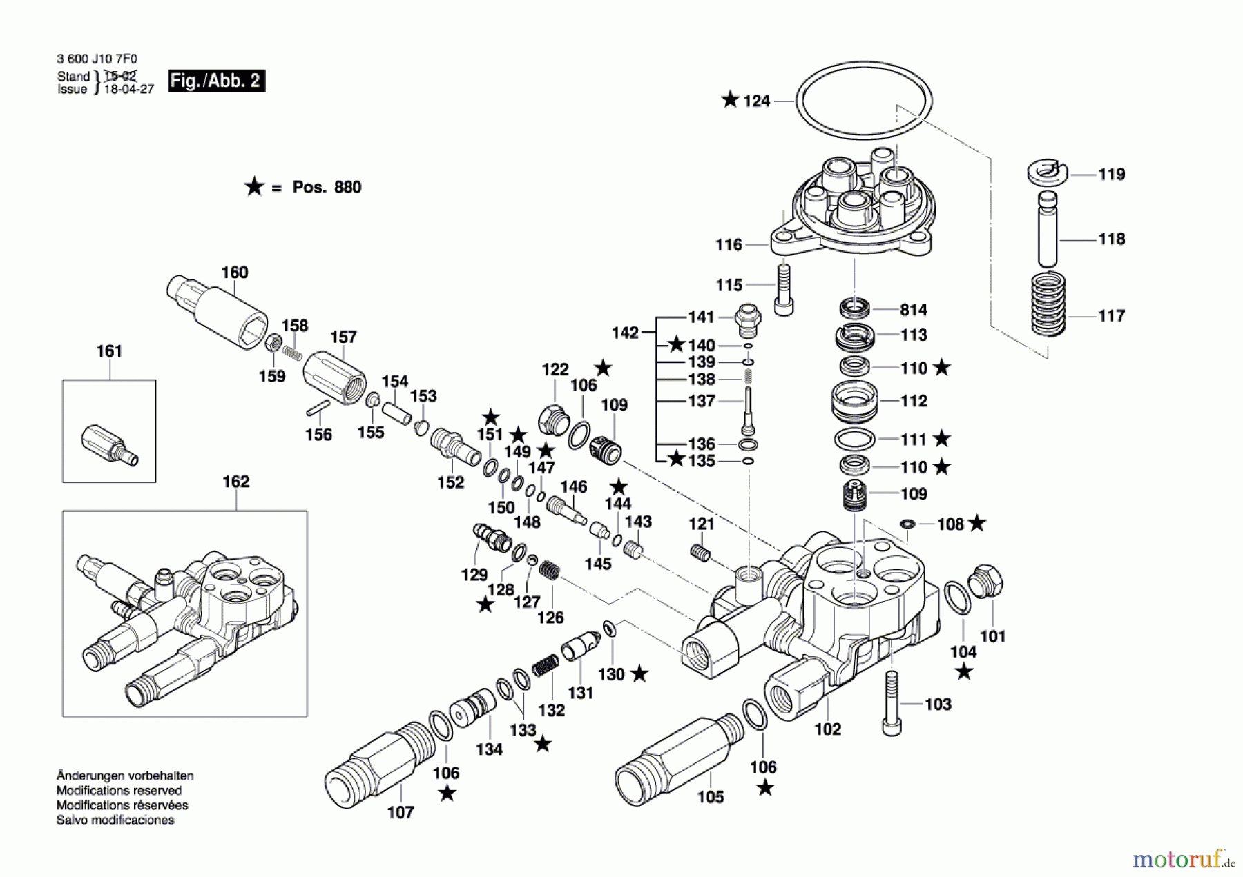
Artikel Nummer: 3 600 J10 7F0 (3600J107F0)

Hier finden Sie die Ersatzteilzeichnung für Bosch Wassertechnik Hochdruckreiniger GHP 5-75 Seite 2. Wählen Sie das benötigte Ersatzteil aus der Ersatzteilliste Ihres Bosch Gerätes aus und bestellen Sie einfach online. Viele Bosch Ersatzteile halten wir ständig in unserem Lager für Sie bereit.


Qualitätsmanagement
Informieren Sie uns, wenn Sie einen Fehler gefunden haben.

