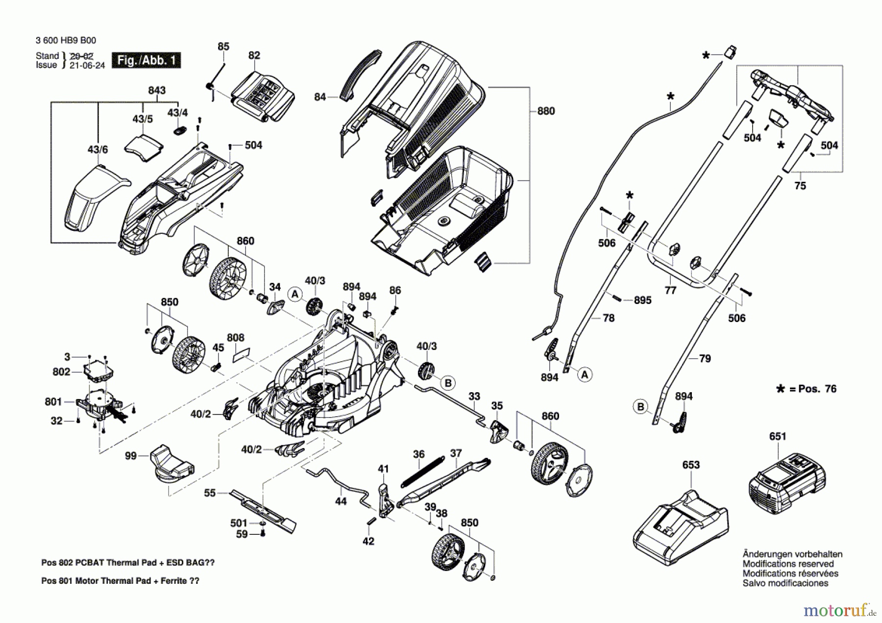
Bosch Rasenmäher EasyRotak 36-550 Ersatzteile
EasyRotak 36-550 Rasenmäher
Artikel Nummer: 3 600 HB9 B00 (3600HB9B00)

Hier finden Sie die Ersatzteilzeichnung für Bosch Gartengeräte Rasenmäher EasyRotak 36-550 Seite 1. Wählen Sie das benötigte Ersatzteil aus der Ersatzteilliste Ihres Bosch Gerätes aus und bestellen Sie einfach online. Viele Bosch Ersatzteile halten wir ständig in unserem Lager für Sie bereit.