Bosch Akku Druckreiniger Fontus Ersatzteile
Fontus Akku Druckreiniger
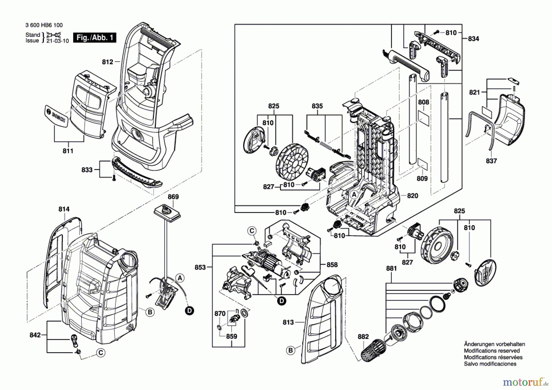
Artikel Nummer: 3 600 HB6 100 (3600HB6100)

Hier finden Sie die Ersatzteilzeichnung für Bosch Akku Werkzeug Akku Druckreiniger Fontus Seite 1. Wählen Sie das benötigte Ersatzteil aus der Ersatzteilliste Ihres Bosch Gerätes aus und bestellen Sie einfach online. Viele Bosch Ersatzteile halten wir ständig in unserem Lager für Sie bereit.


Qualitätsmanagement
Informieren Sie uns, wenn Sie einen Fehler gefunden haben.

