Bosch Hochdruckreiniger AdvancedAquatak 160 Ersatzteile
AdvancedAquatak 160 Hochdruckreiniger
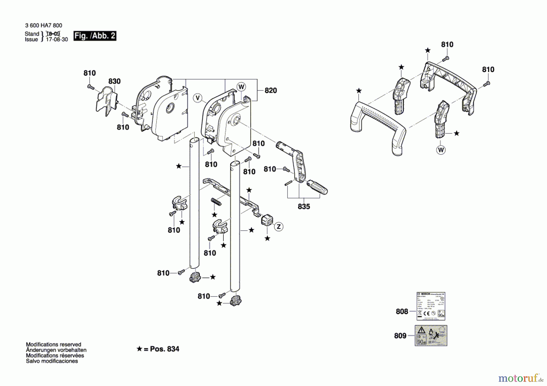
Artikel Nummer: 3 600 HA7 800 (3600HA7800)

Hier finden Sie die Ersatzteilzeichnung für Bosch Wassertechnik Hochdruckreiniger AdvancedAquatak 160 Seite 2. Wählen Sie das benötigte Ersatzteil aus der Ersatzteilliste Ihres Bosch Gerätes aus und bestellen Sie einfach online. Viele Bosch Ersatzteile halten wir ständig in unserem Lager für Sie bereit.
| BildNr | Artikel Nummer | Bezeichnung | |
| 808 | F 016 F05 102 | Typschild | |
| 809 | F 016 F05 438 | Warnzettel | |
| 810 | F 016 F04 810 | Sternantrieb-Zylinderschraube | |
| 820 | F 016 F05 466 | Abdeckung | |
| 830 | F 016 F05 471 | Haken | |
| 834 | F 016 F05 467 | Handgriff | |
| 835 | F 016 F04 649 | Handgriff-Set | |
| 863 | F 016 F04 805 | Schalterbetaetiger | |


Qualitätsmanagement
Informieren Sie uns, wenn Sie einen Fehler gefunden haben.

