Bosch Hochdruckreiniger AQT 45-14 X Ersatzteile
AQT 45-14 X Hochdruckreiniger
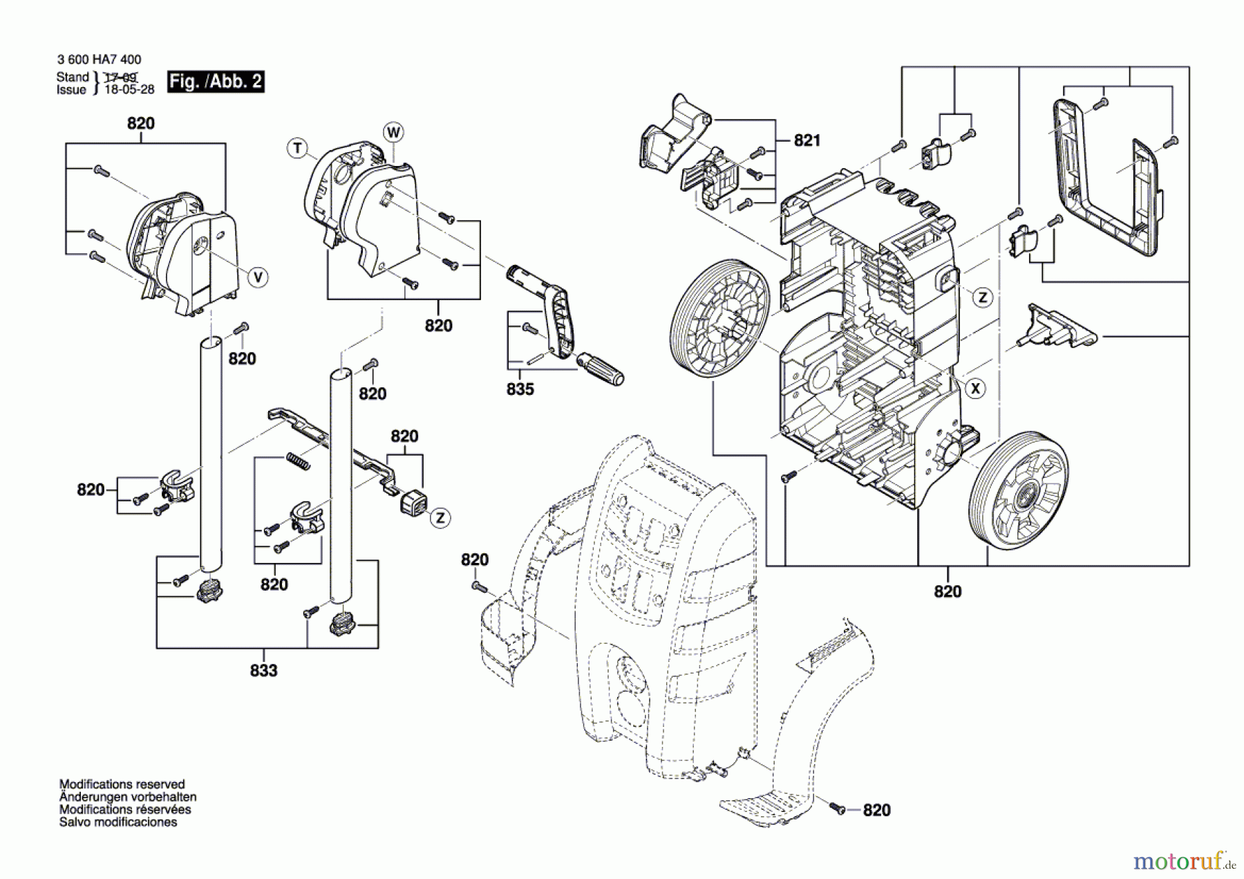
Artikel Nummer: 3 600 HA7 400 (3600HA7400)

Hier finden Sie die Ersatzteilzeichnung für Bosch Wassertechnik Hochdruckreiniger AQT 45-14 X Seite 2. Wählen Sie das benötigte Ersatzteil aus der Ersatzteilliste Ihres Bosch Gerätes aus und bestellen Sie einfach online. Viele Bosch Ersatzteile halten wir ständig in unserem Lager für Sie bereit.
| BildNr | Artikel Nummer | Bezeichnung | |
| 820 | F 016 F04 623 | Abdeckung | |
| 821 | F 016 F04 650 | Abdeckung | |
| 833 | F 016 F05 104 | Handgriff | |
| 835 | F 016 F04 649 | Handgriff-Set | |



