Bosch Verti-Schneider UniversalVerticutt 1100 Ersatzteile
UniversalVerticutt 1100 Verti-Schneider
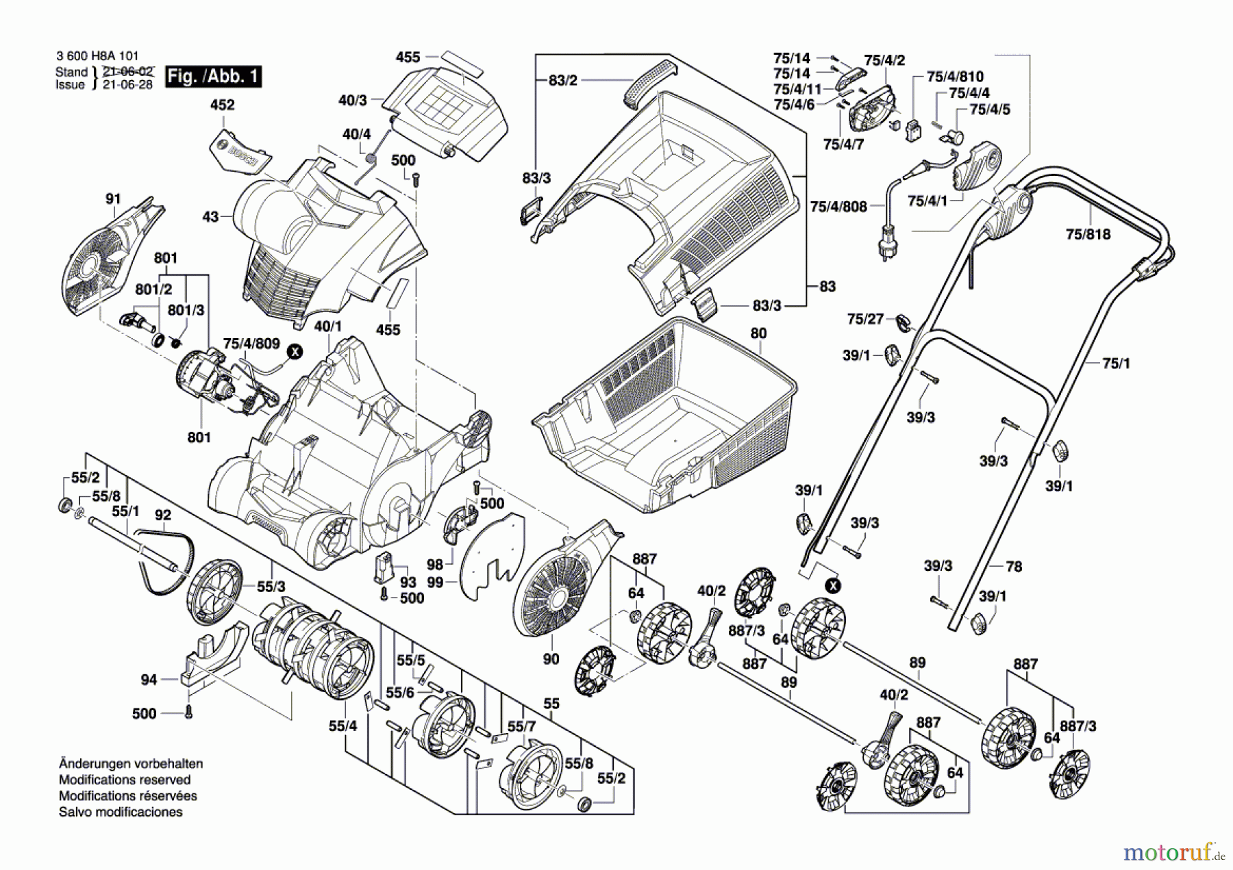
Artikel Nummer: 3 600 H8A 101 (3600H8A101)

Hier finden Sie die Ersatzteilzeichnung für Bosch Werkzeug Verti-Schneider UniversalVerticutt 1100 Seite 1. Wählen Sie das benötigte Ersatzteil aus der Ersatzteilliste Ihres Bosch Gerätes aus und bestellen Sie einfach online. Viele Bosch Ersatzteile halten wir ständig in unserem Lager für Sie bereit.


Qualitätsmanagement
Informieren Sie uns, wenn Sie einen Fehler gefunden haben.

