Bosch Rasenmäher ASM 32 Ersatzteile
ASM 32 Rasenmäher
Artikel Nummer: 3 600 H89 A01 (3600H89A01)

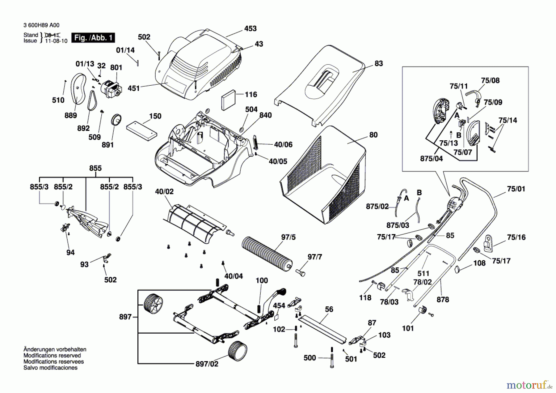
Hier finden Sie die Ersatzteilzeichnung für Bosch Gartengeräte Rasenmäher ASM 32 Seite 1. Wählen Sie das benötigte Ersatzteil aus der Ersatzteilliste Ihres Bosch Gerätes aus und bestellen Sie einfach online. Viele Bosch Ersatzteile halten wir ständig in unserem Lager für Sie bereit.


Qualitätsmanagement
Informieren Sie uns, wenn Sie einen Fehler gefunden haben.

